Запчасти Komatsu PC35MR-2-A ОСНОВН. КОНСТРУКЦИЯ (КОНСОЛЬ ЛЕВ.) (НАВЕС) КАБИНА ОПЕРАТОРА И СИСТЕМА УПРАВЛЕНИЯ

Схема запчастей Komatsu PC35MR-2-A - ОСНОВН. КОНСТРУКЦИЯ (КОНСОЛЬ ЛЕВ.) (НАВЕС) КАБИНА ОПЕРАТОРА И СИСТЕМА УПРАВЛЕНИЯ
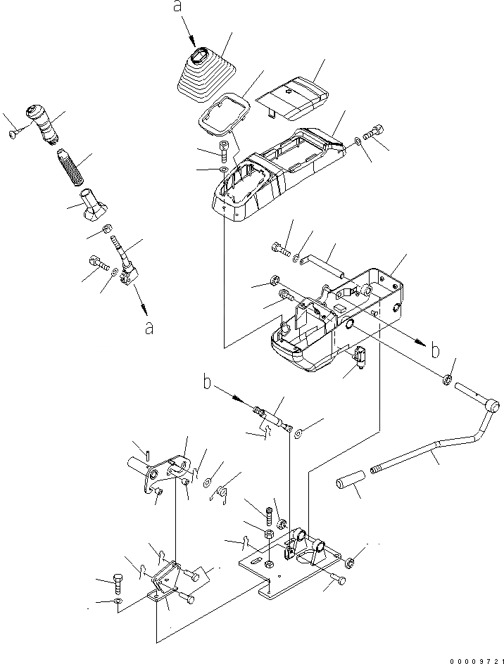
1
2
3
4
5
6
6
7
7
8
9
10
11
12
12
13
13
14
15
16
16
17
18
19
20
21
21
22
23
24
25
26
27
28
29
30
31
32
33
34
34
35
36
37
38
39
40
41
FIT
1:1
100%

Артикул

Название

Примечание

Количество

1

22M-43-21291

STOPPER

2

01010-D0820

BOLT

3

01643-70823

WASHER

4

22M-43-21551

GUIDE

5

04205-30832

PIN

6

04052-20833

PIN,SNAP

7

21U-43-32430

COLLAR

8

22B-54-15560

STOPPER

9

01580-11008

NUT

10

22M-43-21111

BRACKET

11

22M-54-22111

COVER,PANEL

12

01252-80616

BOLT

13

01643-70623

WASHER

14

22M-43-21660

GAS SPRING

15

04205-30822

PIN

16

04052-20833

PIN,SNAP

17

01643-30823

WASHER

18

22M-43-21151

PIN

19

01010-D0612

BOLT

20

01643-70623

WASHER

21

06124-01616

BEARING

22

22M-54-22131

COVER

|23

22M-43-21630

LEVER ASS'Y

23

22M-43-21640

LEVER

|24

20Y-43-22620

KNOB

24

01370-10308

SCREW

25

20Y-43-22630

KNOB

26

20Y-43-22421

INSERT

27

20Y-43-22250

PLATE

28

20Y-43-22261

BOOT

29

20Y-43-22370

BOOT

30

600-411-1280

NUT

31

01252-71025

BOLT

32

01643-51032

WASHER

33

22M-43-21541

LEVER

34

06124-01616

BEARING

35

22M-43-21470

KNOB

36

20T-43-71280

PIN

37

22M-43-21560

SPRING

38

04052-20833

PIN,SNAP

39

01643-30823

WASHER

40

22M-43-21170

SWITCH ASS'Y

41

01023-10616

SCREW

Выбрано товаров: 0