Запчасти Komatsu PC35MR-2-B РЕМЕНЬ БЕЗОПАСНОСТИ (ДЛЯ ЯПОН.) КАБИНА ОПЕРАТОРА И СИСТЕМА УПРАВЛЕНИЯ

Схема запчастей Komatsu PC35MR-2-B - РЕМЕНЬ БЕЗОПАСНОСТИ (ДЛЯ ЯПОН.) КАБИНА ОПЕРАТОРА И СИСТЕМА УПРАВЛЕНИЯ
1
1
1
2
3
4
5
6
6
7
7
FIT
1:1
100%

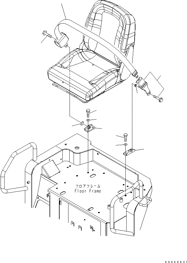
Артикул

Название

Примечание

Количество

1

22B-57-11812

BELT¤ LAP

2

22B-57-11830

SPACER

3

01643-31032

WASHER

4

22M-57-21271

BRACKET

5

22M-57-21350

BRACKET

6

01010-D1025

BOLT

7

01643-71032

WASHER

Выбрано товаров: 7