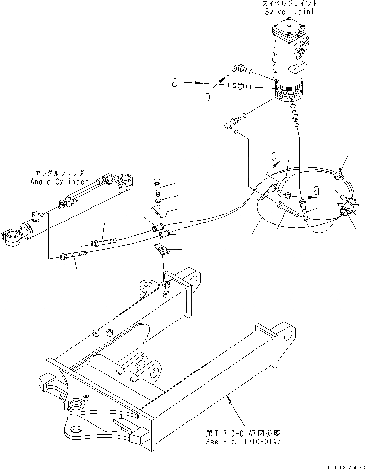
Запчасти Komatsu PC35MR-2 ОТВАЛ ТРУБЫ ДЛЯ ПОВОРОТА (ОТВ. С ИЗМ. УГЛОМ) (ДЛЯ СЕВ. АМЕРИКИ) НИЖНЯЯ ГИДРОЛИНИЯ И ЛИНИЯ ХОДА

Схема запчастей Komatsu PC35MR-2 - ОТВАЛ ТРУБЫ ДЛЯ ПОВОРОТА (ОТВ. С ИЗМ. УГЛОМ) (ДЛЯ СЕВ. АМЕРИКИ) НИЖНЯЯ ГИДРОЛИНИЯ И ЛИНИЯ ХОДА
1
1
2
2
3
3
4
4
5
5
6
7
8
9
9
9
FIT
1:1
100%

Артикул

Название

Примечание

Количество

1

22F-910-2780

HOSE

2

22F-910-2790

HOSE

3

22F-910-2770

HOSE

4

07094-30417

CLAMP

5

07095-0042B

CUSHION

6

01010-81260

BOLT

7

01643-31232

WASHER

8

20N-62-72670

SHEET

9

08034-20536

BAND

Выбрано товаров: 0