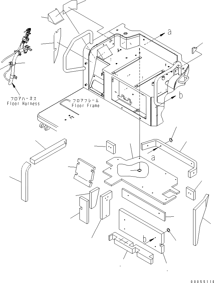
Запчасти Komatsu PC35MR-2 ОСНОВН. КОНСТРУКЦИЯ (ЩИТКИ) (НАВЕС)(№9-) КАБИНА ОПЕРАТОРА И СИСТЕМА УПРАВЛЕНИЯ

Схема запчастей Komatsu PC35MR-2 - ОСНОВН. КОНСТРУКЦИЯ (ЩИТКИ) (НАВЕС)(№9-) КАБИНА ОПЕРАТОРА И СИСТЕМА УПРАВЛЕНИЯ
1
2
3
4
5
6
7
8
9
10
11
11
12
13
14
14
14
15
16
17
18
19
20
FIT
1:1
100%

Артикул

Название

Примечание

Количество

1

22L-54-22512

SHEET

2

22F-54-22830

SHEET

3

22L-54-22531

SHEET

4

22M-54-23790

SHEET

5

22L-54-22551

SHEET

6

22L-54-22561

SHEET

7

22F-54-22850

SHEET

8

22F-54-22840

SHEET

9

22L-54-22581

SHEET

10

22L-54-23422

SHEET

11

22L-54-23441

SHEET

12

22L-54-23450

SHEET

13

22M-54-23570

SHEET

14

22F-54-11380

WASHER

15

22L-54-23670

SHEET

16

22L-54-23680

SHEET

17

22L-54-23690

SHEET

18

22F-54-26140

SHEET

19

22M-06-25350

CONNECTOR

20

08034-40521

BAND

Выбрано товаров: 20