Запчасти Komatsu PC35MR-2 ДОПОЛН. РАБОЧ. ОСВЕЩЕНИЕ (НАВЕС) ЭЛЕКТРИКА

Схема запчастей Komatsu PC35MR-2 - ДОПОЛН. РАБОЧ. ОСВЕЩЕНИЕ (НАВЕС) ЭЛЕКТРИКА
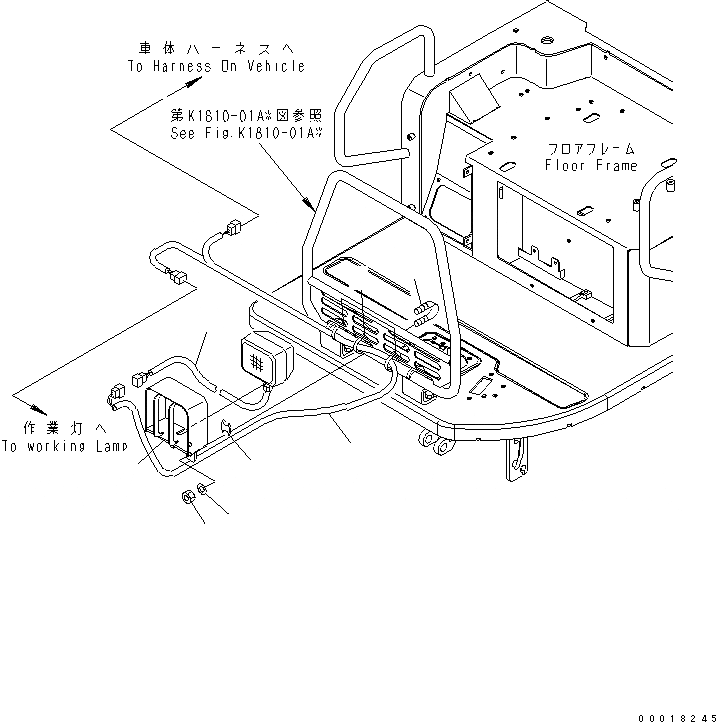
1
2
3
4
5
6
7
8
FIT
1:1
100%

Артикул

Название

Примечание

Количество

1

22L-06-21560

BRACKET

2

22M-06-11710

WORK LAMP ASS'Y

2

104-06-41410

BULB, 55W

3

07283-32236

CLIP

4

07283-52232

SEAT

5

01582-11008

NUT

6

01643-31032

WASHER

7

22L-06-21550

WIRING HARNESS

8

08034-20536

BAND

Выбрано товаров: 9