Запчасти Komatsu PC35MR-2 ЦИЛИНДР ПОВОРОТА СТРЕЛЫ И НИЖН. ПАЛЕЦ ОСНОВНАЯ РАМА И ЕЕ ЧАСТИ

Схема запчастей Komatsu PC35MR-2 - ЦИЛИНДР ПОВОРОТА СТРЕЛЫ И НИЖН. ПАЛЕЦ ОСНОВНАЯ РАМА И ЕЕ ЧАСТИ
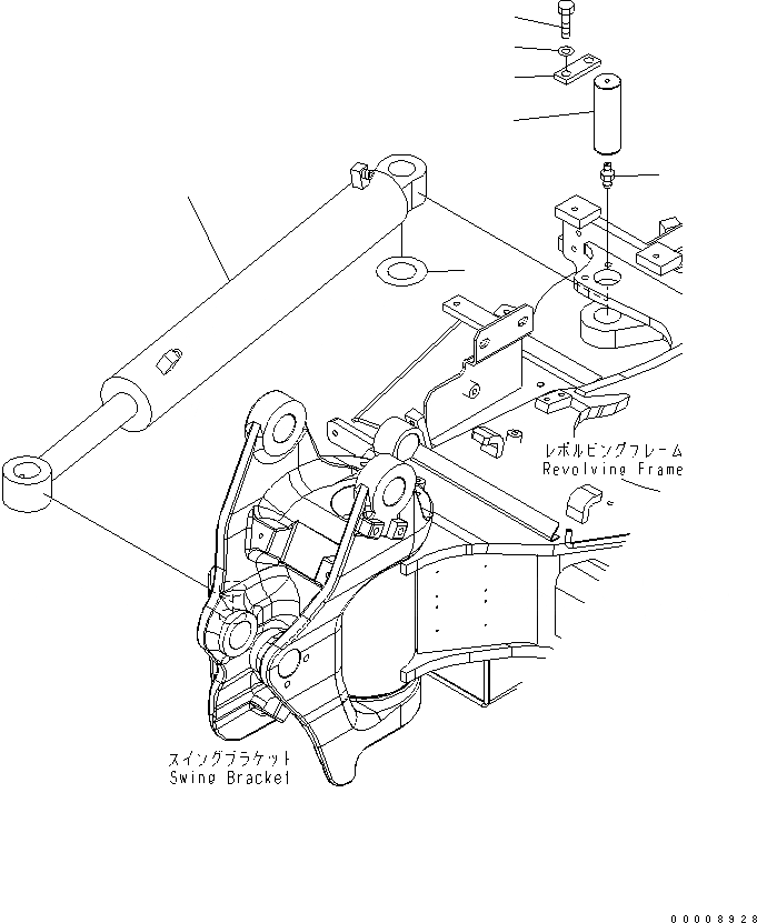
1
2
3
4
5
6
7
FIT
1:1
100%

Артикул

Название

Примечание

Количество

1

707-00-0E580

CYLINDER ASS'Y,(SEE FIG.Y1620-31A0)

2

22F-70-21482

PIN

3

07020-00000

FITTING,GREASE

4

04082-00212

LOCK

5

01010-81230

BOLT

6

01643-31232

WASHER

7

20T-70-81760

SPACER, 0.5MM

7

20T-70-81730

SPACER, 1.0MM

Выбрано товаров: 8