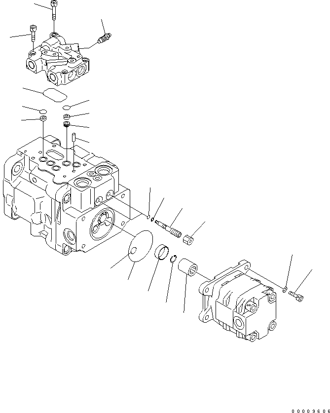
Запчасти Komatsu PC35MR-2 ОСНОВН. НАСОС (/) ОСНОВН. КОМПОНЕНТЫ И РЕМКОМПЛЕКТЫ

Схема запчастей Komatsu PC35MR-2 - ОСНОВН. НАСОС (/) ОСНОВН. КОМПОНЕНТЫ И РЕМКОМПЛЕКТЫ
1
1
2
2
3
4
5
6
7
8
9
10
11
12
13
14
15
16
17
18
19
FIT
1:1
100%

Артикул

Название

Примечание

Количество

|$5

708-3S-00513

PUMP ASS'Y

|$6

708-3S-00512

PUMP ASS'Y

|$7

708-3S-00511

PUMP ASS'Y

|$8

708-3S-00611

PUMP ASS'Y,WITH AIR CONDITIONER

|$9

708-3S-00610

PUMP ASS'Y,WITH AIR CONDITIONER

1

FILTER

2

O-RING

3

ORIFICE

4

BOLT

5

BOLT

6

O-RING

7

PIN,DOWEL

8

708-1T-19210

COUPLING

9

700-30-63140

RING,SNAP

10

708-1T-19230

RING

11

07000-12014

O-RING

12

07000-12060

O-RING

13

01252-60825

BOLT

14

01643-30823

WASHER

15

708-3S-15810

PLUG

16

708-3S-15820

NUT

17

07000-11003

O-RING

18

07001-01003

RING,BACK-UP

19

20B-27-11210

BLEEDER

Выбрано товаров: 24