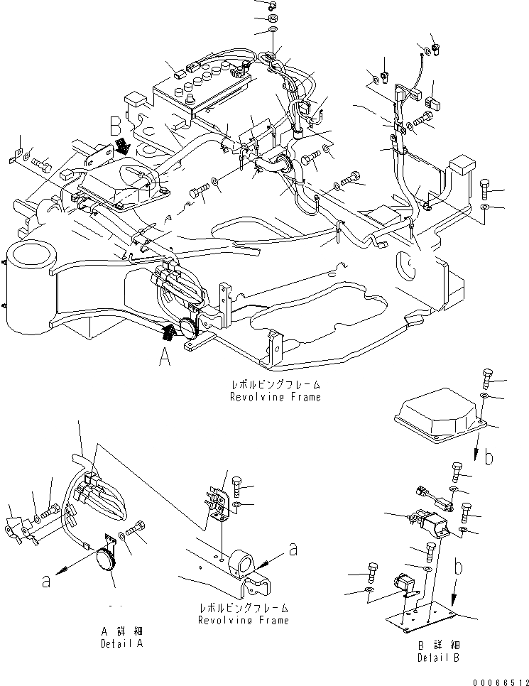
Запчасти Komatsu PC35MR-2 ЭЛЕКТРОПРОВОДКА (НАВЕС)(№9-) ЭЛЕКТРИКА
№
Артикул
Название
Примечание
Количество
1
22L-06-21214
WIRING HARNESS
2
20T-06-81230
FUSIBLE LINK
3
21X-06-31530
DIODE
4
22L-06-21280
CABLE
5
04434-51010
CLIP
6
01010-81016
BOLT
7
01643-31032
WASHER
8
04434-51710
CLIP
9
01010-81020
BOLT
10
01643-31032
WASHER
11
22F-06-21110
CLIP
12
22F-06-21110
CLIP
13
04434-52110
CLIP
14
07095-20314
CUSHION
15
01010-81020
BOLT
16
01643-31032
WASHER
17
22F-06-21110
CLIP
18
22F-06-21120
CLIP
19
22F-06-21110
CLIP
20
20N-06-71430
WIRE
21
01010-81020
BOLT
22
01643-31032
WASHER
23
01010-81020
BOLT
24
01643-31032
WASHER
25
08034-20536
BAND
26
08038-10519
CAP
26
08038-10519
CAP
27
08038-10519
CAP
28
08193-20010
CLIP
29
01010-81020
BOLT
30
01643-31032
WASHER
31
08160-71200
HORN
32
01010-80816
BOLT
33
01643-30823
WASHER
34
22L-06-21221
BRACKET
35
01010-81020
BOLT
36
01643-31032
WASHER
37
22L-06-21233
PLATE
38
01010-81020
BOLT
39
01643-31032
WASHER
40
01010-80616
BOLT
41
01643-30623
WASHER
42
22L-06-21241
COVER
43
01010-80820
BOLT
44
01643-30823
WASHER
45
01640-20408
WASHER
46
01640-20610
WASHER
47
01580-10605
NUT
48
01640-20610
WASHER
Выбрано товаров: 49