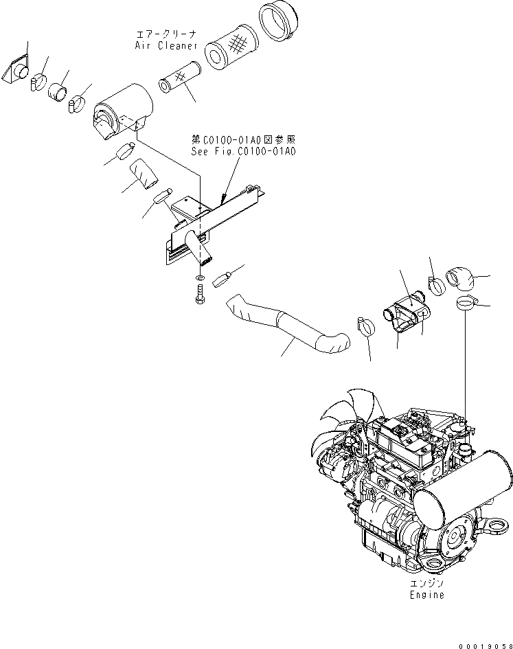
Запчасти Komatsu PC35MR-2 ВОЗДУХООЧИСТИТЕЛЬ КОМПОНЕНТЫ (ДВОЙНОЙ ЭЛЕМЕНТ) КОМПОНЕНТЫ ДВИГАТЕЛЯ

Схема запчастей Komatsu PC35MR-2 - ВОЗДУХООЧИСТИТЕЛЬ КОМПОНЕНТЫ (ДВОЙНОЙ ЭЛЕМЕНТ) КОМПОНЕНТЫ ДВИГАТЕЛЯ
1
2
3
4
5
6
6
7
8
9
10
10
11
12
13
14
15
FIT
1:1
100%

Артикул

Название

Примечание

Количество

1

22L-01-21270

HOSE

2

07281-00709

CLAMP

|$3

22L-01-21600

RESONATOR ASS'Y

3

RESONATOR

4

22L-01-21651

SHEET

5

22L-01-21671

SHEET

5

22L-01-21670

SHEET

6

07281-00709

CLAMP

7

22L-01-21261

HOSE

8

07281-00709

CLAMP

9

22L-01-21231

HOSE

10

07281-00709

CLAMP

11

22L-01-21242

HOSE

12

07281-00709

CLAMP

13

22L-01-21662

PIPE

14

07281-00709

CLAMP

15

YM129051-12530

ELEMENT,INNER

Выбрано товаров: 0