Запчасти Komatsu PC35MR-2 ТОПЛИВН. БАК. ТОПЛИВН. БАК. AND КОМПОНЕНТЫ

Схема запчастей Komatsu PC35MR-2 - ТОПЛИВН. БАК. ТОПЛИВН. БАК. AND КОМПОНЕНТЫ
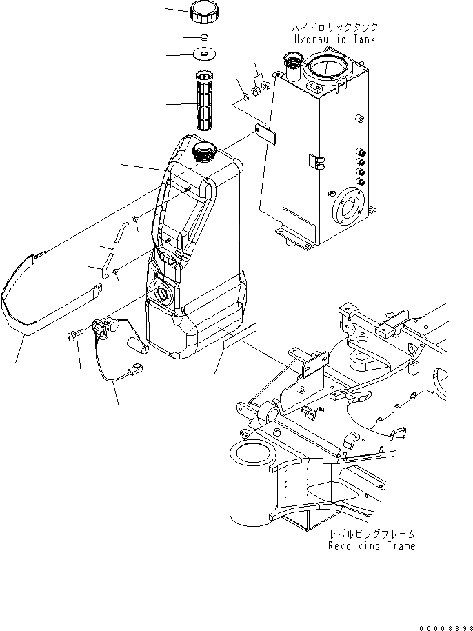
1
2
3
4
5
6
7
7
8
9
10
11
12
13
14
FIT
1:1
100%

Артикул

Название

Примечание

Количество

1

22L-04-21112

FUEL TANK

1

22L-04-21111

FUEL TANK

|$3

22L-04-21300

CAP ASS'Y

2

CAP

3

21S-04-31221

PACKING

4

21U-04-21160

ELEMENT

5

22L-04-21131

GAUGE,SIGHT

6

20N-04-81360

FLOAT

7

07285-00085

CLIP

8

22L-04-21171

STRAINER

9

22L-04-21123

BAND

9

22L-04-21122

BAND

10

01580-10806

NUT

11

01643-30823

WASHER

12

22L-04-21151

CUSHION

13

20C-06-31211

GAUGE,FUEL LEVEL

13

20M-06-72140

PACKING

14

01023-10514

SCREW

Выбрано товаров: 18