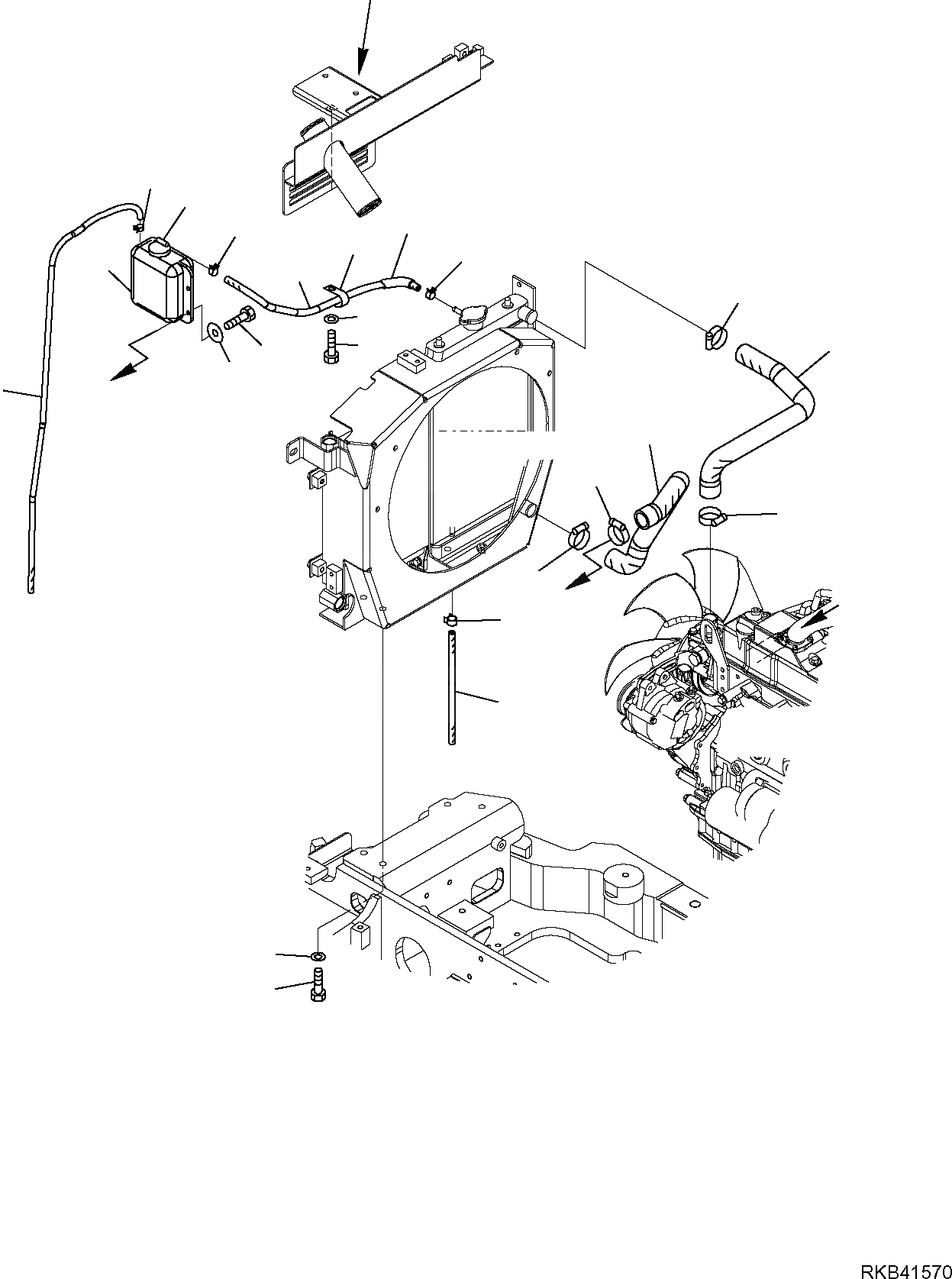
Запчасти Komatsu PC35MR-2 РАДИАТОР (С КОНДИЦИОНЕРОМ) (/) КОМПОНЕНТЫ ДВИГАТЕЛЯ И ЭЛЕКТРИКА

Схема запчастей Komatsu PC35MR-2 - РАДИАТОР (С КОНДИЦИОНЕРОМ) (/) КОМПОНЕНТЫ ДВИГАТЕЛЯ И ЭЛЕКТРИКА
13
6
17
12
14
12
18
9
5
16
4
15
7
8
10
3
5
5
5
12
11
2
1
a
a
A
FIT
1:1
100%

Артикул

Название

Примечание

Количество

1

01016-51030

BOLT

2

01643-11032

WASHER

3

22L-03-21163

HOSE

4

22L-03-21171

HOSE

5

37A-09-5J007

CLAMP

6

22L-09-R3820

PLUG

7

01010-80820

BOLT

8

01643-10823

WASHER

9

22L-03-R1470

HOSE

10

22L-03-R1481

HOSE

11

22L-03-21180

HOSE

12

07285-00115

CLAMP

13

07285-00130

CLAMP

14

04434-51210

CLAMP

15

01010-80816

BOLT

16

01643-10823

WASHER

17

22L-09-R1620

PROTECTION

18

22L-09-R3810

TANK

Выбрано товаров: 18