Запчасти Komatsu PC35MR-3 КАБИНА (ЭЛЕКТР.) КАБИНА ОПЕРАТОРА И СИСТЕМА УПРАВЛЕНИЯ

Схема запчастей Komatsu PC35MR-3 - КАБИНА (ЭЛЕКТР.) КАБИНА ОПЕРАТОРА И СИСТЕМА УПРАВЛЕНИЯ
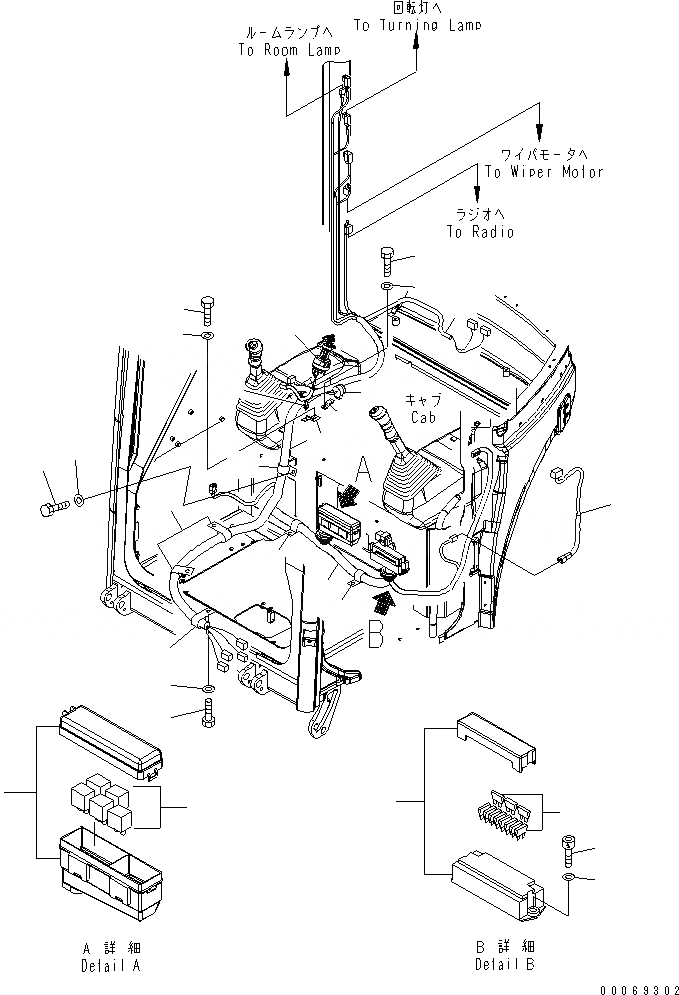
1
1
2
3
4
5
6
7
7
7
7
8
9
10
11
12
13
14
15
16
17
18
19
20
21
22
23
FIT
1:1
100%

Артикул

Название

Примечание

Количество

1

22F-06-33211

WIRING HARNESS

2

22M-06-24260

BOX,RELAY

3

20U-06-42520

RELAY¤ 5-TERMINAL

4

08044-01000

FUSE BOX

5

08041-01000

FUSE¤ 10A

|5

08041-02000

FUSE¤ 20A

|5

08041-03000

FUSE¤ 30A

6

22F-06-33220

WIRING HARNESS

7

04434-52712

CLIP

8

01010-81020

BOLT

9

01643-31032

WASHER

10

08053-01510

CLIP

11

01010-81020

BOLT

12

01643-31032

WASHER

13

21Y-06-11260

BUZZER ASS'Y

14

21Y-06-11270

PLATE

15

01010-80612

BOLT

16

01643-30623

WASHER

17

01252-80620

BOLT

18

01643-70623

WASHER

19

20S-06-31130

STARTING SWITCH,STARTING

20

08034-40521

BAND

21

08193-21012

CLIP

22

01010-81020

BOLT

23

01643-31032

WASHER

Выбрано товаров: 25