Запчасти Komatsu PC35MR-3 КАБИНА (УПРАВЛ. НАВЕСН. ОБОРУД.) ( НАВЕСН. ОБОРУД) КАБИНА ОПЕРАТОРА И СИСТЕМА УПРАВЛЕНИЯ

Схема запчастей Komatsu PC35MR-3 - КАБИНА (УПРАВЛ. НАВЕСН. ОБОРУД.) ( НАВЕСН. ОБОРУД) КАБИНА ОПЕРАТОРА И СИСТЕМА УПРАВЛЕНИЯ
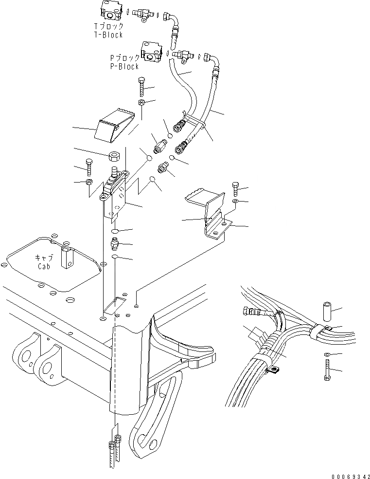
1
2
3
4
5
6
6
7
8
9
10
11
12
13
14
15
16
16
17
17
18
19
20
21
22
23
24
25
26
FIT
1:1
100%

Артикул

Название

Примечание

Количество

1

22M-973-2541

PEDAL

2

01583-11408

NUT

3

702-16-01270

PILOT VALVE,(SEE FIG.Y1670-31A0)

4

01016-51045

BOLT

5

01016-51055

BOLT

6

01580-11008

NUT

7

22M-973-2521

COVER

8

22M-43-11510

HINGE (WELDED)

9

01010-81025

BOLT

10

01643-31032

WASHER

11

11Y-62-12140

NIPPLE

12

07000-12011

O-RING

13

02896-11008

O-RING

14

11Y-62-12140

NIPPLE

15

21W-62-41780

NIPPLE

16

07000-12011

O-RING

17

02896-11008

O-RING

18

22M-62-23121

HOSE,GREEN¤ RED

|18

21U-62-34730

BAND¤ GREEN

|18

21U-62-34760

BAND¤ RED

19

22M-973-2511

HOSE,BLUE¤ WHITE

|19

21U-62-34750

BAND¤ BLUE

|19

21U-62-34770

BAND¤ WHITE

20

08034-20519

BAND

21

20U-62-26170

SEAT

22

08034-20834

BAND

23

22M-973-2440

SPACER

24

04435-52210

CLIP

25

01010-81070

BOLT

26

01643-31032

WASHER

Выбрано товаров: 0