Запчасти Komatsu PC35MR-3 ПРОТИВОВЕС¤ 8KG(№-) ЧАСТИ КОРПУСА

Схема запчастей Komatsu PC35MR-3 - ПРОТИВОВЕС¤ 8KG(№-) ЧАСТИ КОРПУСА
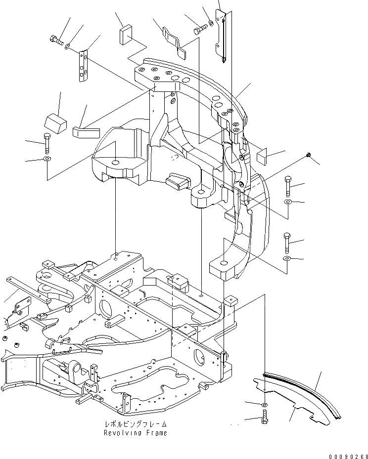
1
2
3
4
5
6
7
8
9
10
11
12
13
13
13
14
14
14
15
16
17
18
19
FIT
1:1
100%

Артикул

Название

Примечание

Количество

1

22F-46-31411

WEIGHT

2

22F-54-32941

SHEET

3

22F-54-32950

SHEET

4

22F-54-32960

SHEET

5

22F-54-32970

SHEET

6

22F-54-31651

SHEET

7

22L-54-21331

BRACKET

8

01010-81020

BOLT

9

01643-31032

WASHER

10

22L-54-23730

BRACKET

11

01010-80816

BOLT

12

01643-30823

WASHER

13

22L-46-21261

WASHER

14

01011-82020

BOLT

|$21

22F-46-31500

COVER ASS'Y

15

22F-46-31550

SEAL

16

22L-46-37260

SEAL

17

01010-80816

BOLT

18

01643-30823

WASHER

19

21U-46-31220

CAP

Выбрано товаров: 20