/ / / / / / ОХЛАЖД-Е (СИСТЕМА ТРУБ РАДИАТОРА)(№-)
Запчасти Komatsu PC35MR-3 ОХЛАЖД-Е (СИСТЕМА ТРУБ РАДИАТОРА)(№-) СИСТЕМА ОХЛАЖДЕНИЯ
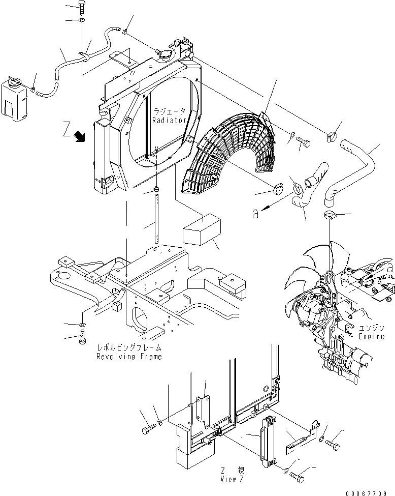
1
2
3
4
5
6
7
8
9
10
11
12
13
14
15
16
17
18
19
20
20
21
22
22
23
24
25
26
27
1
22F-03-31151
OIL COOLER
2
01010-80820
BOLT
3
01643-30823
WASHER
4
22F-03-31270
BRACKET
5
01010-D0820
BOLT
6
01643-70823
WASHER
7
22F-03-31281
BRACKET
8
01010-80816
BOLT
9
01643-30823
WASHER
10
22F-03-31260
HOSE
11
07285-00115
CLIP
12
04434-51208
CLIP
13
01010-80812
BOLT
14
01643-30823
WASHER
15
22L-03-21180
HOSE
16
07285-00115
CLIP
17
01010-81030
BOLT
18
01643-31032
WASHER
19
22L-03-21163
HOSE
20
07281-00419
CLAMP
21
22L-03-21171
HOSE
22
07281-00419
CLAMP
23
07285-00115
CLIP
24
22F-03-31230
SHEET
25
22F-03-31212
WIRE NET
26
01010-80816
BOLT
27
01643-30823
WASHER
Выбрано товаров: 0