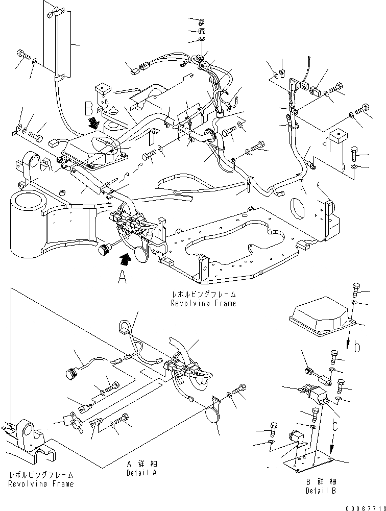
Запчасти Komatsu PC35MR-3 ЭЛЕКТРОПРОВОДКА (НАВЕС)(№-) ЭЛЕКТРИКА

Схема запчастей Komatsu PC35MR-3 - ЭЛЕКТРОПРОВОДКА (НАВЕС)(№-) ЭЛЕКТРИКА
1
1
1
2
3
4
4
4
4
4
4
5
5
6
7
8
9
10
11
12
13
14
15
16
17
18
19
20
21
22
23
24
24
24
24
24
25
26
27
27
28
28
29
29
30
31
32
33
34
35
36
37
37
37
38
38
38
39
40
41
42
43
44
45
46
47
48
49
50
51
52
53
54
55
FIT
1:1
100%

Артикул

Название

Примечание

Количество

1

22F-06-31821

WIRING HARNESS

2

20T-06-81230

FUSIBLE LINK

3

21X-06-31530

DIODE

4

22F-06-21110

CLIP

5

22F-06-21120

CLIP

6

22L-06-21280

CABLE

7

04434-51010

CLIP

8

01010-81016

BOLT

9

01643-31032

WASHER

10

04434-51710

CLIP

11

01010-81020

BOLT

12

01643-31032

WASHER

13

04434-52110

CLIP

14

07095-20314

CUSHION

15

01010-81020

BOLT

16

01643-31032

WASHER

17

20N-06-71430

WIRE

18

01010-81020

BOLT

19

01643-31032

WASHER

20

01010-81020

BOLT

21

01643-31032

WASHER

22

01010-81020

BOLT

23

01643-31032

WASHER

24

08034-20536

BAND

25

08038-10519

CAP

26

08038-10519

CAP

27

08193-20010

CLIP

28

01010-81020

BOLT

29

01643-31032

WASHER

30

08160-71200

HORN

31

01010-80816

BOLT

32

01643-30823

WASHER

33

22L-06-21233

PLATE

34

YM119650-77910

RELAY

35

YM119802-77200

RELAY

36

YM129211-77920

TIMER

37

01010-80616

BOLT

38

01643-30623

WASHER

39

01010-81020

BOLT

40

01643-31032

WASHER

41

22L-06-21241

COVER

42

01010-80820

BOLT

43

01643-30823

WASHER

44

01640-20408

WASHER

45

01580-10605

NUT

46

01640-20610

WASHER

47

04434-51008

CLIP

48

01010-80816

BOLT

49

01643-30823

WASHER

50

22F-06-31431

SOCKET

51

22F-06-31441

WIRING HARNESS

52

08053-01510

CLIP

53

08193-20010

CLIP

54

01010-81020

BOLT

55

01643-31032

WASHER

Выбрано товаров: 0