Запчасти Komatsu PC35MR-3 ОХЛАЖД-Е (СИСТЕМА ТРУБ РАДИАТОРА)(№-) СИСТЕМА ОХЛАЖДЕНИЯ

Схема запчастей Komatsu PC35MR-3 - ОХЛАЖД-Е (СИСТЕМА ТРУБ РАДИАТОРА)(№-) СИСТЕМА ОХЛАЖДЕНИЯ
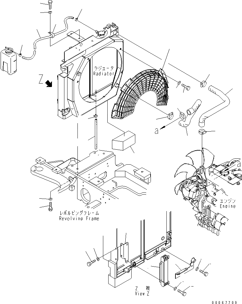
1
2
3
4
5
6
7
8
9
10
11
12
13
14
15
16
17
18
19
20
20
21
22
22
23
24
25
26
27
FIT
1:1
100%

Артикул

Название

Примечание

Количество

1

22F-03-31151

OIL COOLER

2

01010-80820

BOLT

3

01643-30823

WASHER

4

22F-03-31270

BRACKET

5

01010-D0820

BOLT

6

01643-70823

WASHER

7

22F-03-31281

BRACKET

8

01010-80816

BOLT

9

01643-30823

WASHER

10

22F-03-31260

HOSE

11

07285-00115

CLIP

12

04434-51208

CLIP

13

01010-80812

BOLT

14

01643-30823

WASHER

15

22L-03-21180

HOSE

16

07285-00115

CLIP

17

01010-81030

BOLT

18

01643-31032

WASHER

19

22L-03-21163

HOSE

20

07281-00419

CLAMP

21

22L-03-21171

HOSE

22

07281-00419

CLAMP

23

07285-00115

CLIP

24

22F-03-31230

SHEET

25

22F-03-31212

WIRE NET

26

01010-80816

BOLT

27

01643-30823

WASHER

Выбрано товаров: 27