Качественные детали и логистика
Оригинальные и аналоговые запчасти с доставкой по России, Казахстану и Беларуси
©2022 PartSell ООО "Система" ИНН 2463123282 ОГРН 1212400004838
Центральный офис: г. Красноярск, Академика Киренского, д.87, пом.4
Телефон: 8 (800) 777-65-74 Email: zakaz@partsell.ru
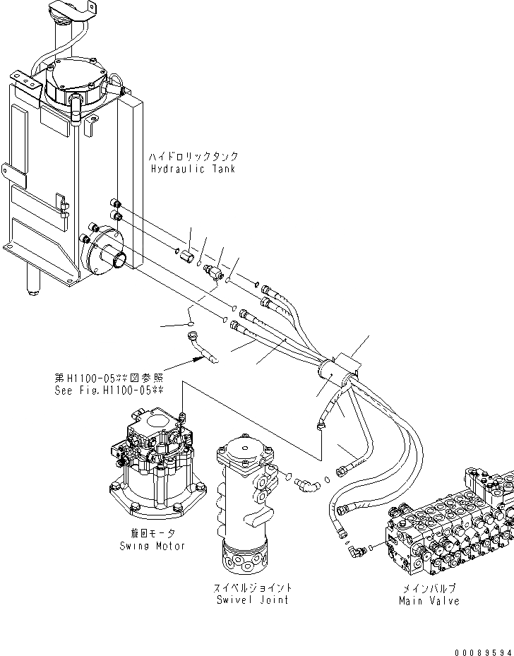
ВОЗВРАТН. ЛИНИЯ (ОТВ. С ИЗМ. УГЛОМ) (PAT ОТВАЛ)(№-)
№
Артикул
Название
Примечание
Количество
1
22L-62-22421
HOSE
2
02760-002A6
3
20N-62-72670
SHEET
4
08034-20536
BAND
5
22L-62-25260
JOINT
6
418-43-37361
TEE
7
02896-11008
O-RING
8
07000-12011
9
02896-11009
Выбрано товаров: 0