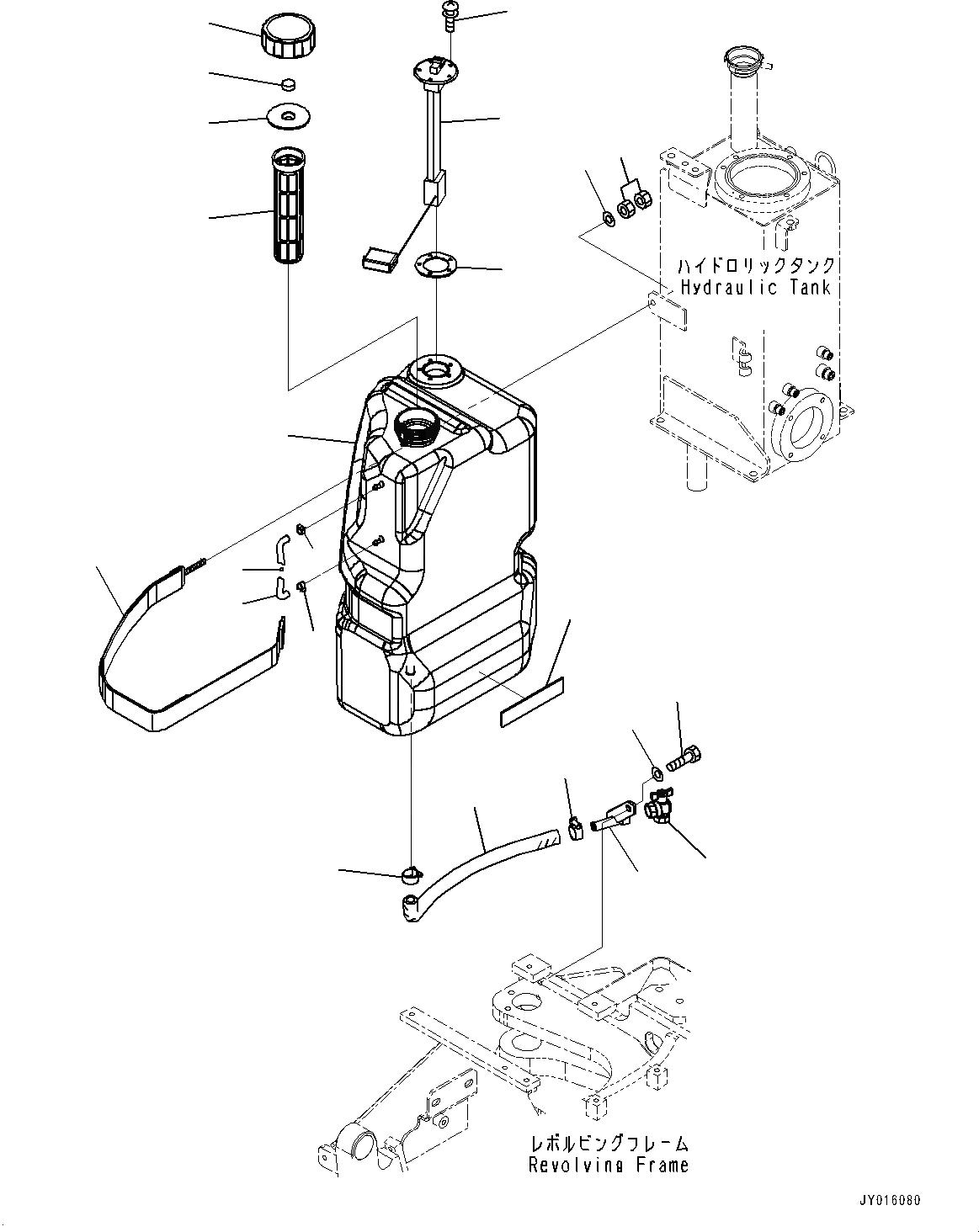
Запчасти Komatsu PC35MR-3 ТОПЛИВН. БАК., ТОПЛИВН. БАК. КОМПОНЕНТЫ (№7-8) ТОПЛИВН. БАК.

Схема запчастей Komatsu PC35MR-3 - ТОПЛИВН. БАК., ТОПЛИВН. БАК. КОМПОНЕНТЫ (№7-8) ТОПЛИВН. БАК.
12
13
14
20
21
15
13
18
19
2
3
4
5
17
9
10
11
1
8
7
8
16
6
FIT
1:1
100%

Артикул

Название

Примечание

Количество

1

22F-04-31111

Tank, Fuel

1

22L-04-21300

Cap Assembly

2

Cap

3

21S-04-31221

Packing

4

21U-04-21160

Element

5

22L-04-21171

Strainer

6

20A-04-11121

Gauge, Sight

7

20N-04-81360

Float

8

07285-00085

Clip, Hose

9

42A-06-53210

Sensor, Fuel Level, Fuel Lever

10

42A-04-51130

Gasket

11

01023-10516

Screw

12

22L-04-21162

Hose

13

22K-04-21190

Clip

14

22L-04-31140

Bracket

15

22F-04-31141

Valve

16

22L-04-21151

Cushion

17

22F-04-31130

Band

18

01580-10806

Nut

19

01643-30823

Washer

20

01010-81020

Bolt

21

01643-31032

Washer

Выбрано товаров: 22