Запчасти Komatsu PC35MR-3 ОСНОВН. КОНСТРУКЦИЯ, ПРОВОДКА (№9-8) ОСНОВН. КОНСТРУКЦИЯ, КРОМЕ ЯПОН., -ДОПОЛН. АКТУАТОР ТРУБЫ, ВЫСОК. ЕМК., С ПРОПОРЦИОНАЛЬН. РЫЧАГ УПРАВЛ-Я, АВТОМАТИЧ. DECELERATOR, МАЧТА

Схема запчастей Komatsu PC35MR-3 - ОСНОВН. КОНСТРУКЦИЯ, ПРОВОДКА (№9-8) ОСНОВН. КОНСТРУКЦИЯ, КРОМЕ ЯПОН., -ДОПОЛН. АКТУАТОР ТРУБЫ, ВЫСОК. ЕМК., С ПРОПОРЦИОНАЛЬН. РЫЧАГ УПРАВЛ-Я, АВТОМАТИЧ. DECELERATOR, МАЧТА
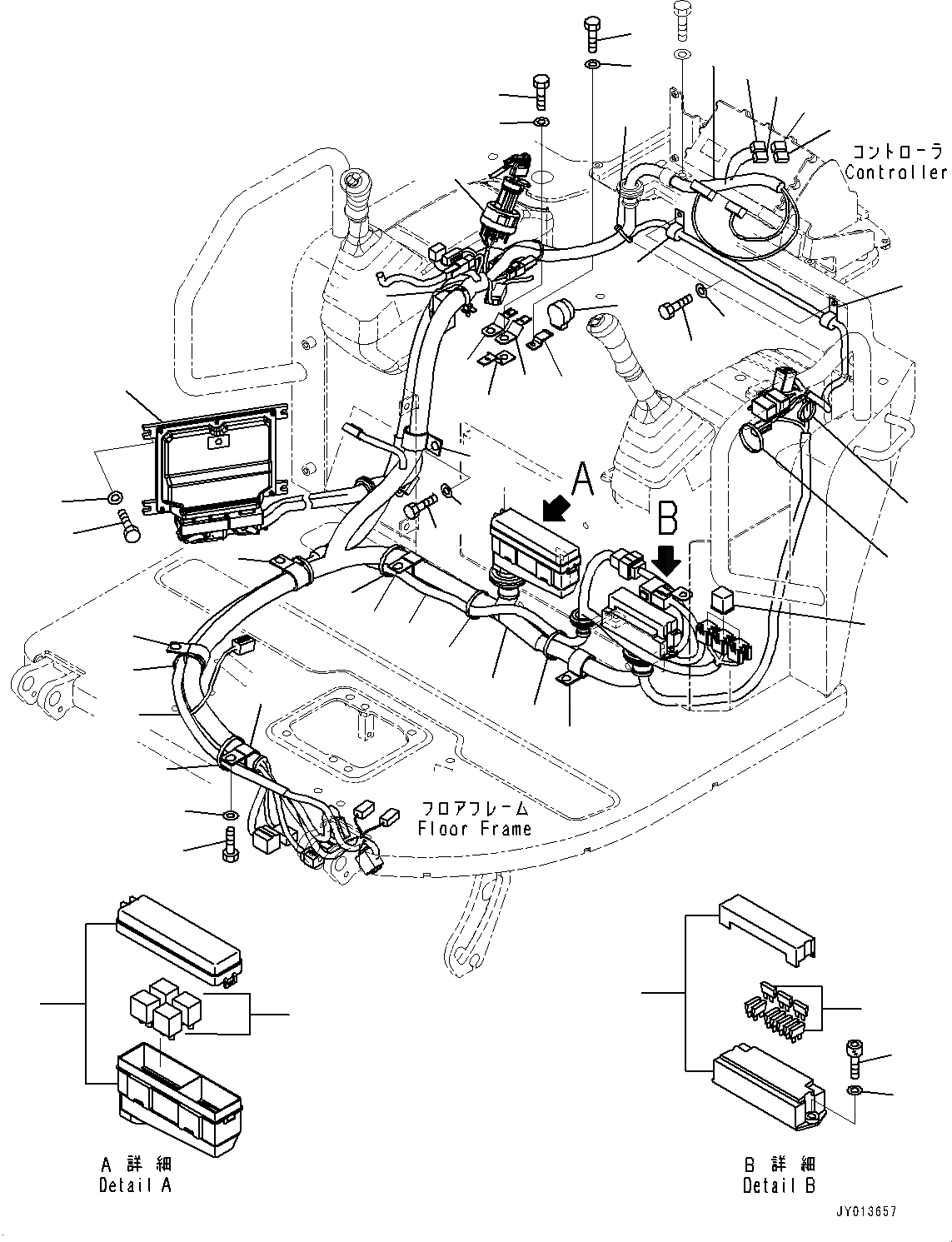
8
8
10
9
36
36
26
19
20
2
4
5
3
21
14
18
17
13
1
7
6
38
37
35
15
22
27
29
27
11
16
12
11
30
28
32
31
1
8
8
33
36
36
26
23
25
24
34
36
8
36
FIT
1:1
100%

Артикул

Название

Примечание

Количество

1

22F-06-32660

Wiring Harness

2

22M-06-24260

Box, Relay

3

20U-06-42520

Relay, 5-Terminal

4

08044-01000

Box Assembly, Fuse

5

08041-01000

Fuse, 10Amp.

5

08041-03000

Fuse, 30Amp.

6

21X-06-31530

Diode

7

19M-06-31720

Resistor

8

04434-52712

Clip

9

01010-81020

Bolt

10

01643-31032

Washer

11

08193-21012

Clip

12

08053-01512

Clip

13

01010-81020

Bolt

14

01643-31032

Washer

15

21Y-06-11260

Buzzer

16

21Y-06-11270

Plate

17

01010-80612

Bolt

18

01643-30623

Washer

19

01252-80620

Bolt

20

01643-70623

Washer

21

20S-06-31130

Switch, Starting

22

08034-40521

Band

23

08193-21012

Clip

24

01010-81020

Bolt

25

01643-31032

Washer

26

22F-06-32612

Wiring Harness

27

04434-51010

Clip

28

01010-D1016

Bolt

29

01643-71032

Washer

30

7825-63-3001

Controller

31

01010-80820

Bolt

32

01643-30823

Washer

33

363-06-31130

Relay

34

08034-40521

Band

35

08034-20519

Band

36

08034-20823

Band

37

08192-23100

Connector Body

38

08191-00770

Plug, Connector

Выбрано товаров: 39