Запчасти Komatsu PC35MR-3 ОСНОВН. КОНСТРУКЦИЯ, КРЕПЛЕНИЕ (/) (№8-) ОСНОВН. КОНСТРУКЦИЯ, КРОМЕ ЯПОН., -ДОПОЛН. АКТУАТОР ТРУБЫ, ВЫСОК. ЕМК., С ПРОПОРЦИОНАЛЬН. РЫЧАГ УПРАВЛ-Я, АВТОМАТИЧ. DECELERATOR, МАЧТА

Схема запчастей Komatsu PC35MR-3 - ОСНОВН. КОНСТРУКЦИЯ, КРЕПЛЕНИЕ (/) (№8-) ОСНОВН. КОНСТРУКЦИЯ, КРОМЕ ЯПОН., -ДОПОЛН. АКТУАТОР ТРУБЫ, ВЫСОК. ЕМК., С ПРОПОРЦИОНАЛЬН. РЫЧАГ УПРАВЛ-Я, АВТОМАТИЧ. DECELERATOR, МАЧТА
3
5
3
1
4
7
6
8
9
10
2
FIT
1:1
100%

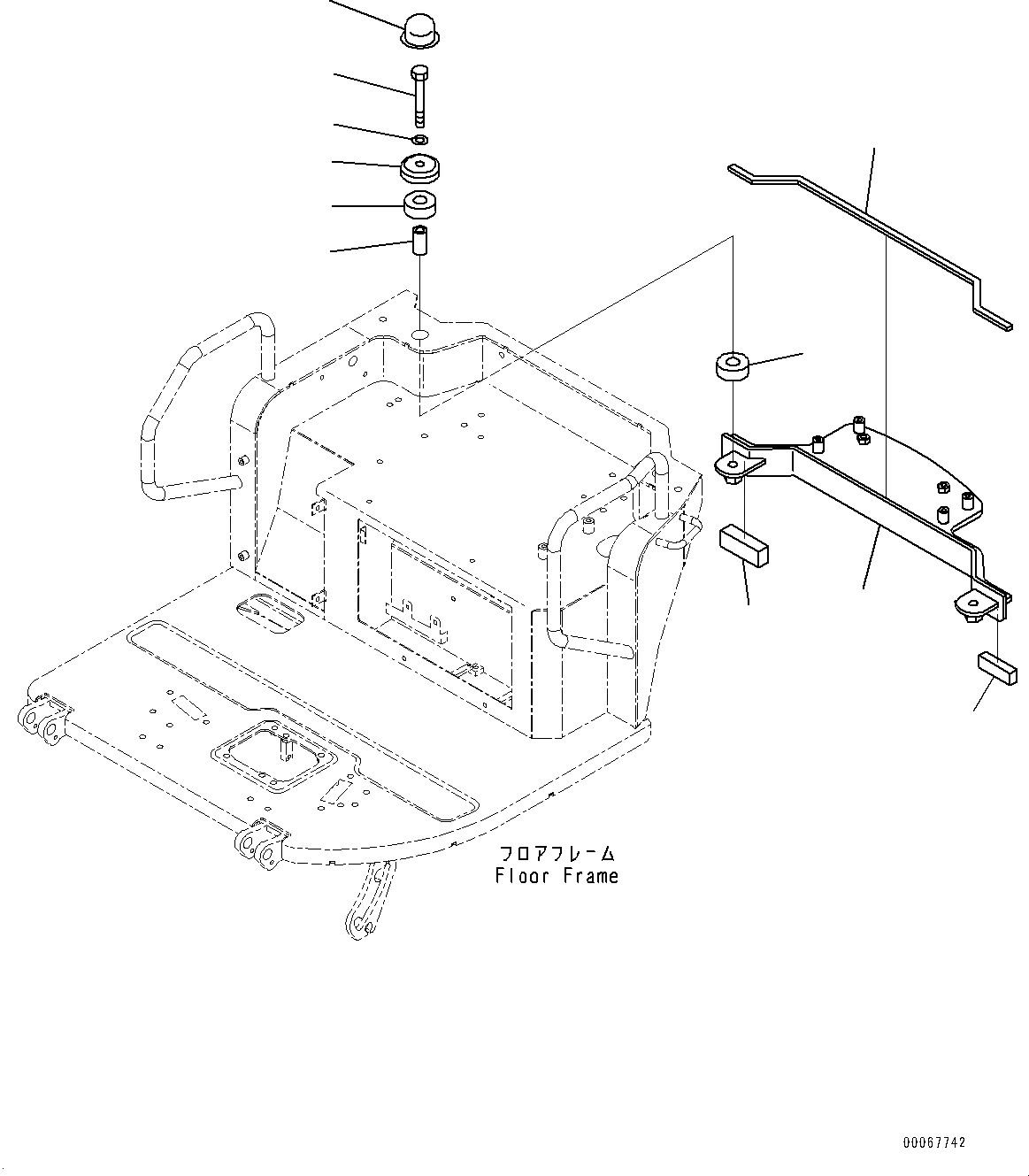
Артикул

Название

Примечание

Количество

1

22F-54-32612

Bracket

2

22F-54-32680

Sheet

3

203-54-21110

Cushion

4

22L-54-22321

Collar

5

22L-54-22332

Collar

6

01011-81600

Bolt

7

01643-31645

Washer

8

22M-54-26440

Cap

9

22F-54-33620

Sheet

10

22F-54-33640

Sheet

Выбрано товаров: 10