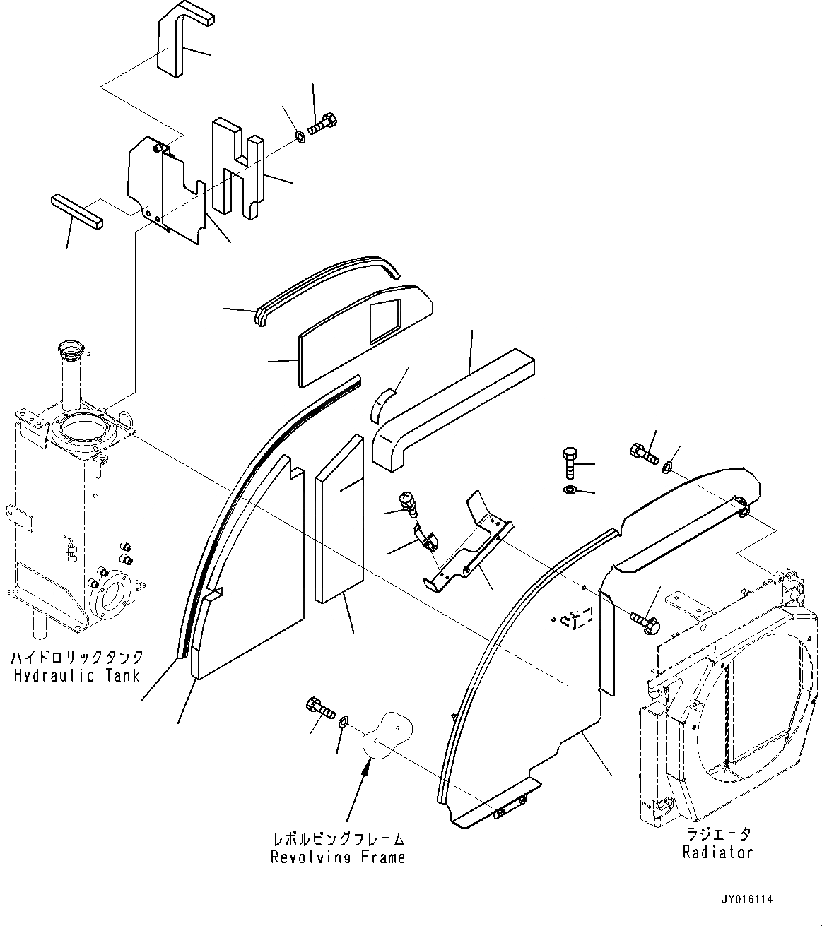
Запчасти Komatsu PC35MR-3 ПРАВ. COVER, КРЫШКА(/) (№-7) ПРАВ. COVER, ДЛЯ СИСТЕМА ROPS

Схема запчастей Komatsu PC35MR-3 - ПРАВ. COVER, КРЫШКА(/) (№-7) ПРАВ. COVER, ДЛЯ СИСТЕМА ROPS
19
20
15
12
11
10
9
8
7
6
18
16
17
14
13
14
13
5
4
3
2
13
14
1
FIT
1:1
100%

Артикул

Название

Примечание

Количество

1

22F-54-31612

Cover

2

22F-54-31621

Bracket

3

203-54-63230

Clamp

4

01023-60614

Screw

5

01435-00812

Bolt

6

22F-54-31631

Sheet

7

22L-54-21741

Seal

8

22L-54-21751

Seal

9

22L-54-23790

Sheet

10

22L-54-21782

Sheet

11

22F-54-31640

Sheet

12

22L-54-23780

Sheet

13

01010-81020

Bolt

14

01643-31032

Washer

15

22F-54-31812

Cover

16

22F-54-31822

Sheet

17

22F-54-31830

Sheet

18

22F-54-31841

Sheet

19

01010-81016

Bolt

20

01643-31032

Washer

Выбрано товаров: 20