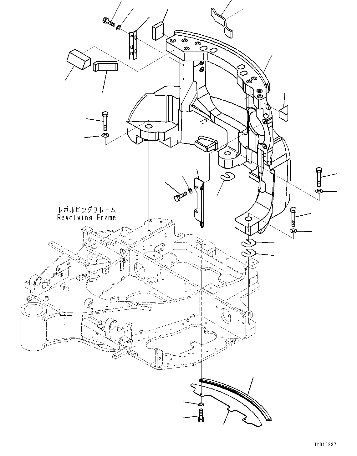
Запчасти Komatsu PC35MR-3 ПРОТИВОВЕС (№7-) ПРОТИВОВЕС, С КОНДИЦИОНЕРОМ, ЕС ARRANGEMENT

Схема запчастей Komatsu PC35MR-3 - ПРОТИВОВЕС (№7-) ПРОТИВОВЕС, С КОНДИЦИОНЕРОМ, ЕС ARRANGEMENT
20
19
15
16
17
18
14
13
2
4
6
10
11
12
3
1
5
14
13
13
14
16
7
8
9
FIT
1:1
100%

Артикул

Название

Примечание

Количество

1

22F-46-31411

Weight

2

22F-54-32941

Sheet

3

22F-54-32950

Sheet

4

22F-54-32960

Sheet

5

22F-54-32970

Sheet

6

22F-54-31651

Sheet

7

22L-54-21331

Bracket

8

01010-81020

Bolt

9

01643-31032

Washer

10

22L-54-23730

Bracket

11

01010-80816

Bolt

12

01643-30823

Washer

13

01011-82020

Bolt

14

22L-46-21261

Washer

15

22L-46-21220

Shim, T=2.0mm

16

22L-46-21230

Shim, T=1.0mm

16

22F-979-3901

Cover

17

22F-979-3911

Plate

18

22F-979-3920

Seal

19

01010-81020

Bolt

20

01643-31032

Washer

Выбрано товаров: 21