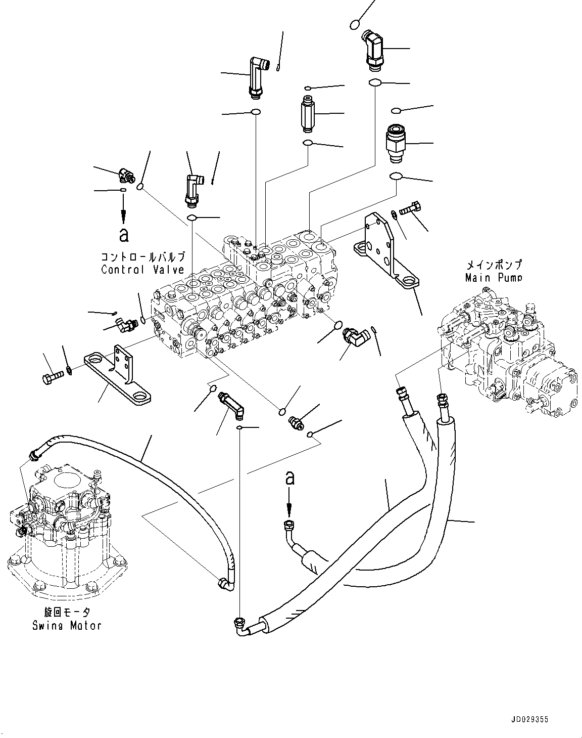
Запчасти Komatsu PC35MR-3 УПРАВЛЯЮЩ. КЛАПАН, СОЕДИНИТЕЛЬН. ЧАСТИ (/) (№9-8) УПРАВЛЯЮЩ. КЛАПАН, ДЛЯ КАБИНА ROPS

Схема запчастей Komatsu PC35MR-3 - УПРАВЛЯЮЩ. КЛАПАН, СОЕДИНИТЕЛЬН. ЧАСТИ (/) (№9-8) УПРАВЛЯЮЩ. КЛАПАН, ДЛЯ КАБИНА ROPS
39
38
37
15
14
13
12
11
10
1
36
26
27
28
20
19
21
25
23
24
17
16
18
22
35
8
7
9
33
32
34
30
4
31
6
5
29
3
2
FIT
1:1
100%

Артикул

Название

Примечание

Количество

1

22F-60-31410

Bracket

2

01010-81030

Bolt

3

01643-31032

Washer

4

22F-60-21223

Bracket

5

01010-80820

Bolt

6

01643-30823

Washer

7

02782-10420

Elbow

8

02896-11012

O-ring

9

07002-11823

O-ring

10

22L-62-22621

Union

11

207-62-64740

O-ring

12

07002-12434

O-ring

13

02782-1052A

Elbow

14

02896-11015

O-ring

15

07002-12434

O-ring

16

21W-62-42420

Nipple

17

02896-11009

O-ring

18

07002-11823

O-ring

19

02782-10210

Elbow

20

02896-11008

O-ring

21

07002-11423

O-ring

22

22F-62-22162

Hose

23

22F-62-22510

Elbow

24

02896-11012

O-ring

25

07002-11823

O-ring

26

02782-10210

Elbow

27

02896-11008

O-ring

28

07002-11423

O-ring

29

02782-10314

Elbow

30

02896-11009

O-ring

31

07002-11823

O-ring

32

02782-10212

Elbow

33

02896-11008

O-ring

34

07002-11423

O-ring

35

22F-62-22152

Hose

36

02781-0021D

Union

37

02896-11008

O-ring

38

07002-11423

O-ring

39

22L-62-22863

Hose

Выбрано товаров: 0