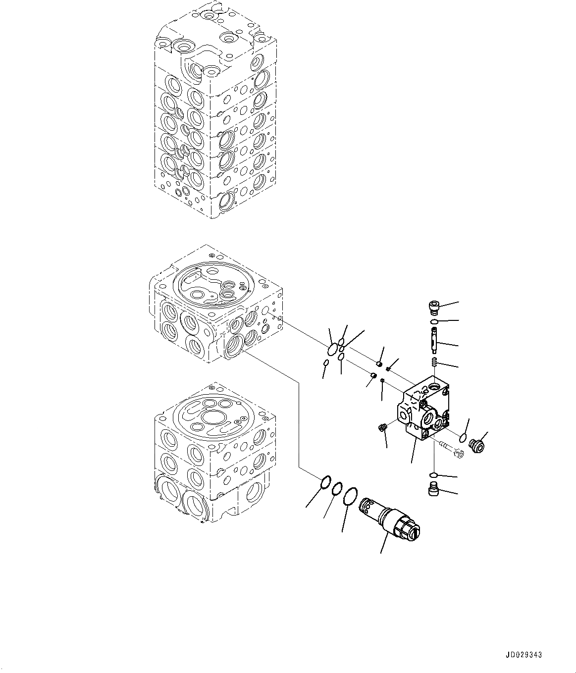
Запчасти Komatsu PC35MR-3 УПРАВЛЯЮЩ. КЛАПАН, ДЛЯ СИСТЕМА ROPS, ВНУТР. ЧАСТИ, УПРАВЛЯЮЩ. КЛАПАН (/) (№8-888) УПРАВЛЯЮЩ. КЛАПАН, ДЛЯ СИСТЕМА ROPS

Схема запчастей Komatsu PC35MR-3 - УПРАВЛЯЮЩ. КЛАПАН, ДЛЯ СИСТЕМА ROPS, ВНУТР. ЧАСТИ, УПРАВЛЯЮЩ. КЛАПАН (/) (№8-888) УПРАВЛЯЮЩ. КЛАПАН, ДЛЯ СИСТЕМА ROPS
15
14
17
16
3
6
12
2
13
7
9
11
4
7
8
10
11
5
3
10
2
8
1
FIT
1:1
100%

Артикул

Название

Примечание

Количество

|$0

723-18-17602

Valve Assembly, Control

|$1

723-18-17601

Valve Assembly, Control, Valve

|$2

Valve Subassembly

|$3

Valve Subassembly

|$4

723-11-02480

Valve Subassembly

|$5

723-11-02170

Valve Subassembly

1

Block

1

Block

2

723-11-13510

Plug

3

07002-10823

O-ring

4

Spool

5

723-11-13340

Spring

6

Plug

7

07000-11005

O-ring

8

07000-11007

O-ring

9

702-21-55420

O-ring

10

723-11-13480

Spacer

11

723-11-13360

Filter

12

708-8E-16160

Plug

13

07002-11023

O-ring

14

723-10-18100

Valve, Relief

15

700-22-11410

O-ring

16

700-80-64220

Ring, Back-up

17

07002-12434

O-ring

Выбрано товаров: 24