Запчасти Komatsu PC35MR-3 МЕХАНИЗМ ПОВОРОТА И МОТОР, СОЕДИНИТЕЛЬН. ЧАСТИ (№-) МЕХАНИЗМ ПОВОРОТА И МОТОР

Схема запчастей Komatsu PC35MR-3 - МЕХАНИЗМ ПОВОРОТА И МОТОР, СОЕДИНИТЕЛЬН. ЧАСТИ (№-) МЕХАНИЗМ ПОВОРОТА И МОТОР
9
7
2
9
9
2
7
13
12
3
10
8
7
1
11
10
6
8
4
5
FIT
1:1
100%

Артикул

Название

Примечание

Количество

|$0

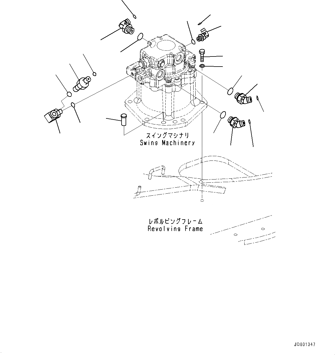
22L-26-21003

Swing Machinery Assembly

1

02782-10315

Elbow

2

02783-10315

Elbow

3

02782-10210

Elbow

4

22L-62-24770

Elbow

5

21W-62-43930

Nipple

6

07002-11423

O-ring

7

07002-12034

O-ring

8

07002-11423

O-ring

9

02896-11009

O-ring

10

02896-11008

O-ring

11

20P-26-71110

Pin, Dowel

12

01010-81235

Bolt

13

01643-31232

Washer

Выбрано товаров: 14