Запчасти Komatsu PC35MR-3 ГУСЕНИЧНАЯ РАМА, ДЛЯ СКОРОСТЬ ДВИЖЕНИЯ УПРАВЛ-Е, SPEED ТИП, ОТВ. С ИЗМ. УГЛОМ DOZER, АКТУАТОР ТРУБЫ (№9-) ГУСЕНИЧНАЯ РАМА, ДЛЯ СКОРОСТЬ ДВИЖЕНИЯ УПРАВЛ-Е, SPEED ТИП, ОТВ. С ИЗМ. УГЛОМ DOZER

Схема запчастей Komatsu PC35MR-3 - ГУСЕНИЧНАЯ РАМА, ДЛЯ СКОРОСТЬ ДВИЖЕНИЯ УПРАВЛ-Е, SPEED ТИП, ОТВ. С ИЗМ. УГЛОМ DOZER, АКТУАТОР ТРУБЫ (№9-) ГУСЕНИЧНАЯ РАМА, ДЛЯ СКОРОСТЬ ДВИЖЕНИЯ УПРАВЛ-Е, SPEED ТИП, ОТВ. С ИЗМ. УГЛОМ DOZER
9
2
8
1
3
4
7
5
6
10
FIT
1:1
100%

Артикул

Название

Примечание

Количество

1

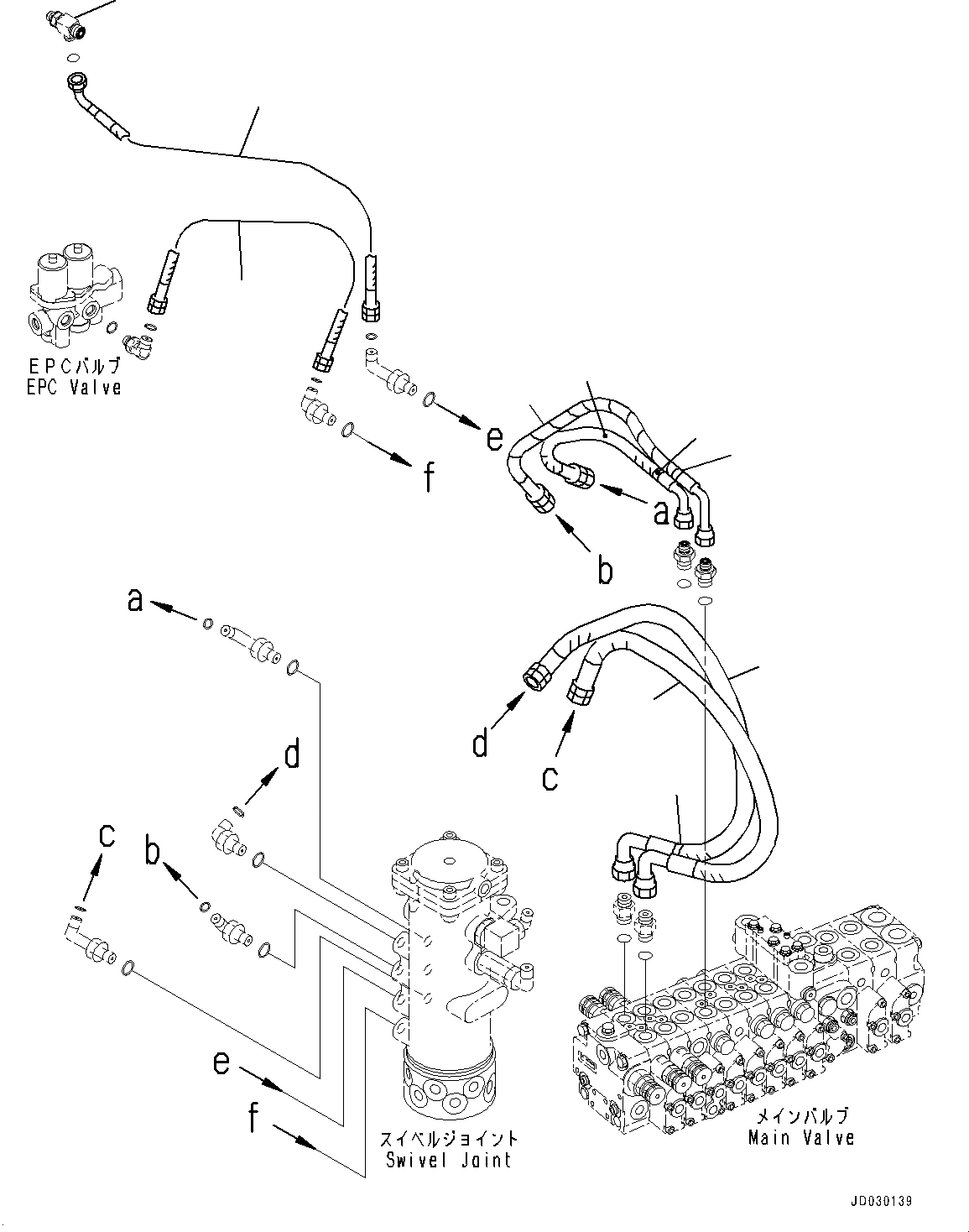
22F-910-2431

Hose

2

22F-910-2491

Hose

3

02766-B0313

Hose, Face Seal Type

4

22F-910-2441

Hose

5

22F-910-2510

Hose

6

22F-910-2460

Hose

7

21U-62-31951

Plate, Mark, E

8

21U-62-31961

Plate, Mark, F

9

21U-62-31971

Plate, Mark, G

10

418-43-37361

Tee

|$10

418-43-37361

Tee

|$11

418-43-37361

Tee

|$12

418-43-37361

Tee

|$13

418-43-37361

Tee

|$14

418-43-37361

Tee

Выбрано товаров: 15