Запчасти Komatsu PC35MR-3 ДВИГАТЕЛЬ БЛОК, ДЛЯ КАБИНА ROPS, КОНДИЦ. ВОЗДУХА, КРОМЕ ЯПОН., ВНУТР. ЧАСТИ, ОСНОВН. НАСОС (/) (№9-) ДВИГАТЕЛЬ БЛОК, ДЛЯ КАБИНА ROPS, КОНДИЦ. ВОЗДУХА, КРОМЕ ЯПОН.

Схема запчастей Komatsu PC35MR-3 - ДВИГАТЕЛЬ БЛОК, ДЛЯ КАБИНА ROPS, КОНДИЦ. ВОЗДУХА, КРОМЕ ЯПОН., ВНУТР. ЧАСТИ, ОСНОВН. НАСОС (/) (№9-) ДВИГАТЕЛЬ БЛОК, ДЛЯ КАБИНА ROPS, КОНДИЦ. ВОЗДУХА, КРОМЕ ЯПОН.
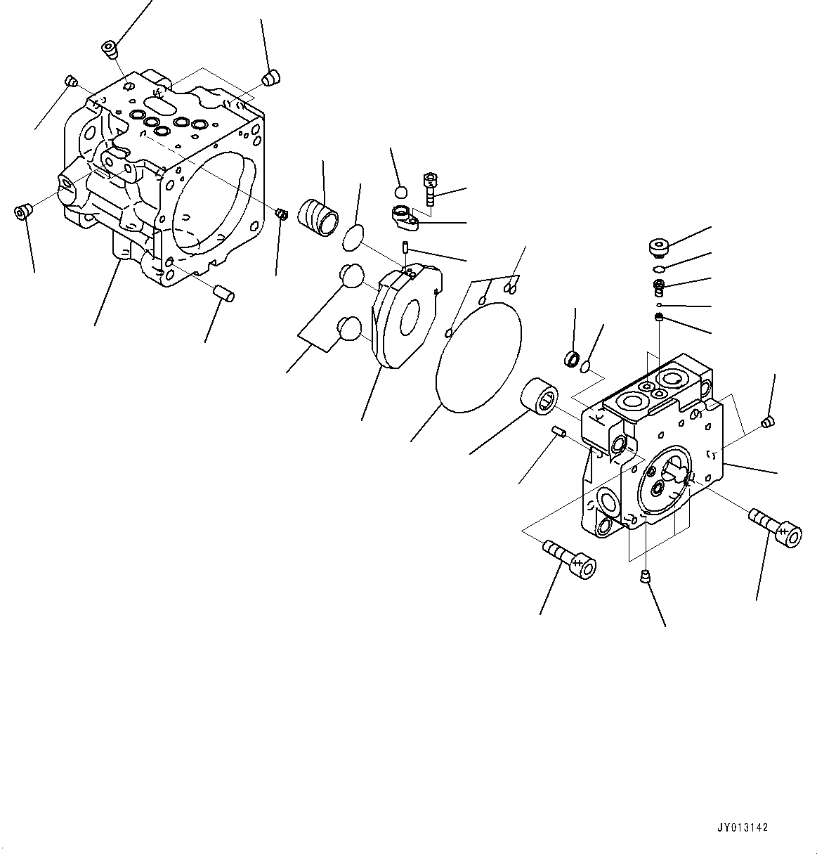
1
2
3
4
5
6
7
8
9
10
11
12
13
14
15
16
17
18
19
20
21
22
23
24
25
26
27
28
2
2
16
FIT
1:1
100%

Артикул

Название

Примечание

Количество

|$0

708-3S-00721

Pump Assembly

|$1

708-3S-01720

Pump Subassembly

|$2

708-3S-04680

Case Subassembly

1

Case, Pump

2

Plug

3

Plug

4

Sleeve

5

Ring

6

708-3S-13480

Cam, Rocker, Rocker

7

04260-01270

Ball

8

708-3S-14140

Spacer

9

708-1S-13420

Pin

10

01252-60616

Bolt, Hexagon Socket Head

11

708-1T-33432

Ball, Retainer

12

01252-61235

Bolt, Hexagon Socket Head

13

01252-61255

Bolt, Hexagon Socket Head

14

04020-01024

Pin, Dowel

|$17

708-3S-04690

Cap Subassembly

15

Cap, End

16

Plug

17

708-21-12760

Bearing

18

720-68-19610

Pin

|$22

708-3S-04610

Valve Subassembly

19

Ball

20

Seat

21

Plug

22

Plug

23

O-ring

24

07000-11006

O-ring

25

07000-12130

O-ring

26

708-3T-11310

Orifice

27

708-2L-25480

Filter

28

708-2L-25490

O-ring

Выбрано товаров: 33