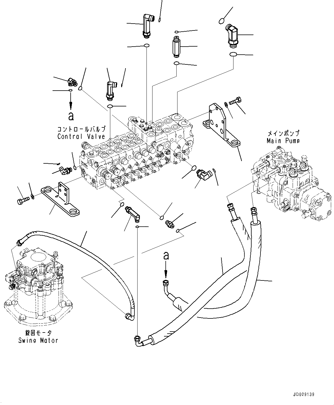
Запчасти Komatsu PC35MR-3 УПРАВЛЯЮЩ. КЛАПАН, ДЛЯ -ДОПОЛН. АКТУАТОР ТРУБЫ, КАБИНА ROPS, СОЕДИНИТЕЛЬН. ЧАСТИ (/) (№8-) УПРАВЛЯЮЩ. КЛАПАН, ДЛЯ -ДОПОЛН. АКТУАТОР ТРУБЫ, КАБИНА ROPS

Схема запчастей Komatsu PC35MR-3 - УПРАВЛЯЮЩ. КЛАПАН, ДЛЯ -ДОПОЛН. АКТУАТОР ТРУБЫ, КАБИНА ROPS, СОЕДИНИТЕЛЬН. ЧАСТИ (/) (№8-) УПРАВЛЯЮЩ. КЛАПАН, ДЛЯ -ДОПОЛН. АКТУАТОР ТРУБЫ, КАБИНА ROPS
36
35
34
12
11
10
1
33
23
24
25
17
16
18
22
20
21
14
13
15
19
32
8
7
9
30
29
31
27
4
28
6
5
26
3
2
FIT
1:1
100%

Артикул

Название

Примечание

Количество

1

22F-60-31410

Bracket

2

01010-81030

Bolt

3

01643-31032

Washer

4

22F-60-21223

Bracket

5

01010-80820

Bolt

6

01643-30823

Washer

7

02782-10420

Elbow

8

02896-11012

O-ring

9

07002-11823

O-ring

10

02782-1052A

Elbow

11

02896-11015

O-ring

12

07002-12434

O-ring

13

21W-62-42420

Nipple

14

02896-11009

O-ring

15

07002-11823

O-ring

16

02782-10210

Elbow

17

02896-11008

O-ring

18

07002-11423

O-ring

19

22F-62-22162

Hose

20

22F-62-22510

Elbow

21

02896-11012

O-ring

22

07002-11823

O-ring

23

02782-10210

Elbow

24

02896-11008

O-ring

25

07002-11423

O-ring

26

02782-10314

Elbow

27

02896-11009

O-ring

28

07002-11823

O-ring

29

02782-10212

Elbow

30

02896-11008

O-ring

31

07002-11423

O-ring

32

22F-62-22152

Hose

33

02781-0021D

Union

34

02896-11008

O-ring

35

07002-11423

O-ring

36

22L-62-22863

Hose

Выбрано товаров: 36