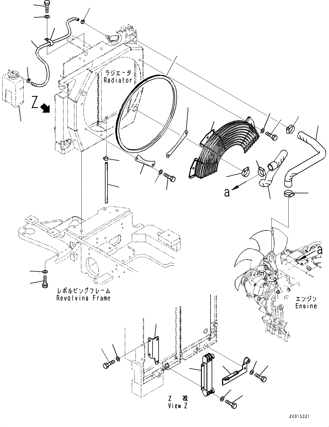
Запчасти Komatsu PC35MR-3 СИСТЕМА ОХЛАЖДЕНИЯ, СИСТЕМА ТРУБ РАДИАТОРА (№9-) СИСТЕМА ОХЛАЖДЕНИЯ, С КОНДИЦИОНЕРОМ

Схема запчастей Komatsu PC35MR-3 - СИСТЕМА ОХЛАЖДЕНИЯ, СИСТЕМА ТРУБ РАДИАТОРА (№9-) СИСТЕМА ОХЛАЖДЕНИЯ, С КОНДИЦИОНЕРОМ
9
4
1
7
2
3
8
6
5
23
25
26
10
15
16
12
26
24
24
11
27
14
13
17
18
29
28
30
19
20
20
21
22
31
FIT
1:1
100%

Артикул

Название

Примечание

Количество

1

22F-03-31151

Oil Cooler

2

01010-80820

Bolt

3

01643-30823

Washer

4

22F-03-31270

Bracket

5

01010-D0820

Bolt

6

01643-70823

Washer

7

22F-03-31281

Bracket

8

01010-80816

Bolt

9

01643-30823

Washer

10

22F-03-31260

Hose

11

07285-00115

Clip

12

04434-51208

Clip

13

01010-80812

Bolt

14

01643-30823

Washer

15

22L-03-21180

Hose

16

07285-00115

Clip

17

01010-80820

Bolt

18

01643-30823

Washer

19

22F-979-3260

Seal

20

22F-979-3270

Plate

21

01010-81030

Bolt

22

01643-31032

Washer

23

22F-979-3610

Hose

24

22K-03-21450

Clamp

25

22L-03-21171

Hose

26

22K-03-21450

Clamp

27

07285-00115

Clip

28

22F-03-31251

Wire Net

29

01010-80820

Bolt

30

01643-30823

Washer

31

22J-03-25270

Tank Assembly, Reservoir

|$31

22J-03-25270

Tank Assembly, Reservoir

Выбрано товаров: 32