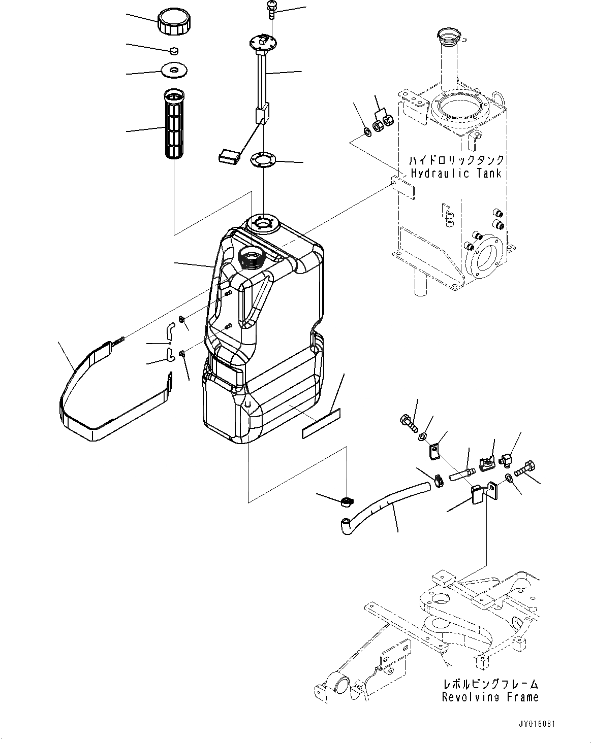
Запчасти Komatsu PC35MR-3 ТОПЛИВН. БАК., ТОПЛИВН. БАК. КОМПОНЕНТЫ (№8-) ТОПЛИВН. БАК.

Схема запчастей Komatsu PC35MR-3 - ТОПЛИВН. БАК., ТОПЛИВН. БАК. КОМПОНЕНТЫ (№8-) ТОПЛИВН. БАК.
25
26
23
24
2
3
4
5
22
9
10
11
1
8
7
8
21
6
12
13
14
15
16
17
18
19
20
13
FIT
1:1
100%

Артикул

Название

Примечание

Количество

1

22F-04-31111

Tank, Fuel

1

22L-04-21300

Cap Assembly

2

Cap

3

21S-04-31221

Packing

4

21U-04-21160

Element

5

22L-04-21171

Strainer

6

20A-04-11121

Gauge, Sight

7

20N-04-81360

Float

8

07285-00085

Clip, Hose

9

42A-06-53211

Sensor, Fuel Level

9

42A-06-53210

Sensor, Fuel Level, Fuel Lever

10

42A-04-51131

Gasket

10

42A-04-51130

Gasket

11

01023-10516

Screw

12

22L-04-31160

Hose

13

22K-04-21190

Clip

14

22F-04-31250

Bracket

15

07700-50240

Valve

16

01010-81020

Bolt

17

01643-31032

Washer

18

22L-62-13430

Clamp

19

22F-04-31240

Nipple

20

124-04-21250

Elbow

21

22L-04-21151

Cushion

22

22F-04-31130

Band

23

01580-10806

Nut

24

01643-30823

Washer

25

01010-81020

Bolt

26

01643-31032

Washer

Выбрано товаров: 0