Запчасти Komatsu PC35MR-3 ОСНОВН. КОНСТРУКЦИЯ, ОБОГРЕВАТЕЛЬ. (/) (№8-) ОСНОВН. КОНСТРУКЦИЯ, -ДОПОЛН. АКТУАТОР ТРУБЫ, ВЫСОК. ЕМК., НАВЕС ОБОГРЕВАТЕЛЬ., С МАСТЕР КЛЮЧ, ДЛЯ KOREA

Схема запчастей Komatsu PC35MR-3 - ОСНОВН. КОНСТРУКЦИЯ, ОБОГРЕВАТЕЛЬ. (/) (№8-) ОСНОВН. КОНСТРУКЦИЯ, -ДОПОЛН. АКТУАТОР ТРУБЫ, ВЫСОК. ЕМК., НАВЕС ОБОГРЕВАТЕЛЬ., С МАСТЕР КЛЮЧ, ДЛЯ KOREA
9
8
10
5
7
6
1
2
3
4
4
4
FIT
1:1
100%

Артикул

Название

Примечание

Количество

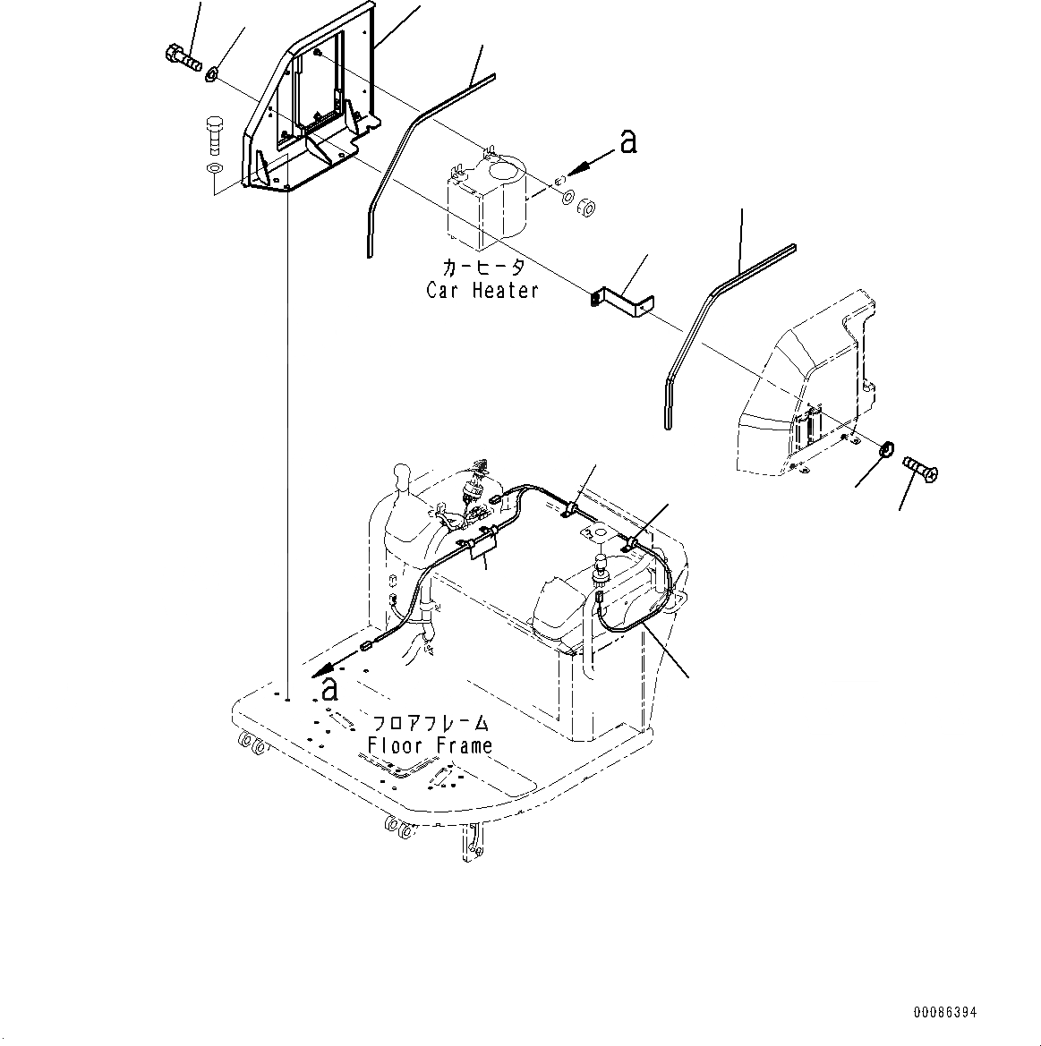
1

22L-977-2141

Cover

2

22L-977-2230

Sheet

3

22M-977-2350

Wiring Harness

4

04434-51010

Clip

5

22L-977-2270

Bracket

6

01010-80820

Bolt

7

01643-30823

Washer

8

23S-55-51970

Washer

9

01225-70616

Screw, Philips Head

10

22L-977-2260

Seal

Выбрано товаров: 10