Запчасти Komatsu PC35MR-3 ДОПОЛН. ЛАМПА РАБОЧ. ОСВЕЩЕНИЯ (№9-) ДОПОЛН. ЛАМПА РАБОЧ. ОСВЕЩЕНИЯ, ДЛЯ ДОПОЛН. ПЕРЕДН. ЛАМПА РАБОЧ. ОСВЕЩЕНИЯ, СИСТЕМА ROPS

Схема запчастей Komatsu PC35MR-3 - ДОПОЛН. ЛАМПА РАБОЧ. ОСВЕЩЕНИЯ (№9-) ДОПОЛН. ЛАМПА РАБОЧ. ОСВЕЩЕНИЯ, ДЛЯ ДОПОЛН. ПЕРЕДН. ЛАМПА РАБОЧ. ОСВЕЩЕНИЯ, СИСТЕМА ROPS
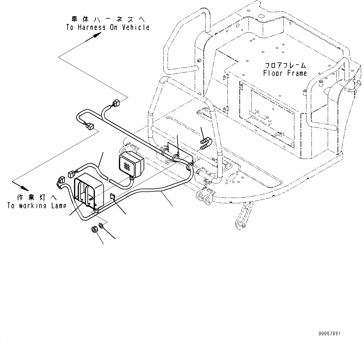
7
8
2
1
6
4
3
5
FIT
1:1
100%

Артикул

Название

Примечание

Количество

1

22L-06-21560

Bracket

2

22M-06-11710

Working Lamp Assembly

2

104-06-41410

Bulb, 55watt

3

07283-32236

Clip, Pipe

4

07283-52232

Seat

5

01582-11008

Nut

6

01643-31032

Washer

7

22L-06-21550

Wiring Harness

8

08034-20536

Band

Выбрано товаров: 9