Запчасти Komatsu PC35MRX-1A ПОКРЫТИЕ ПОЛА (КАБИНА КОРПУС КРЕПЛЕНИЯ)(№9-) КАБИНА ОПЕРАТОРА И СИСТЕМА УПРАВЛЕНИЯ

Схема запчастей Komatsu PC35MRX-1A - ПОКРЫТИЕ ПОЛА (КАБИНА КОРПУС КРЕПЛЕНИЯ)(№9-) КАБИНА ОПЕРАТОРА И СИСТЕМА УПРАВЛЕНИЯ
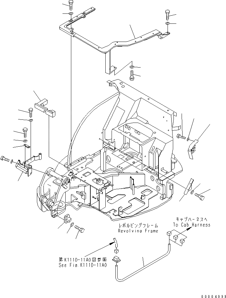
1
2
2
3
4
4
4
5
6
7
8
9
10
11
12
13
14
15
16
17
18
19
20
21
FIT
1:1
100%

Артикул

Название

Примечание

Количество

1

22F-54-13213

BRACKET

2

01010-81040

BOLT

3

01010-81030

BOLT

4

01643-31032

WASHER

5

22L-54-15522

PLATE

6

01010-81020

BOLT

7

01643-31032

WASHER

8

22F-973-1541

SHEET

9

22F-54-11352

BRACKET

10

01010-81025

BOLT

11

01643-31032

WASHER

12

22F-62-12690

PLATE

13

01010-80820

BOLT

14

01643-30823

WASHER

15

22F-70-11540

BRACKET

16

01010-81235

BOLT

17

01643-31232

WASHER

18

22F-06-11412

WIRING HARNESS

18

22M-06-11350

FUSE, 3A

19

22F-54-17C20

COVER

19

22F-54-12630

COVER

20

01010-D0845

BOLT

21

01643-70823

WASHER

Выбрано товаров: 23