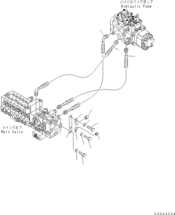
Запчасти Komatsu PC35MRX-1A ЛИНИЯ ПОДАЧИ (ДЛЯ MULTI PATTERN) (ДЛЯ ISO-ЭКСКАВАТ. PATTERN УПРАВЛ-Е)(№-) ГИДРАВЛИКА

Схема запчастей Komatsu PC35MRX-1A - ЛИНИЯ ПОДАЧИ (ДЛЯ MULTI PATTERN) (ДЛЯ ISO-ЭКСКАВАТ. PATTERN УПРАВЛ-Е)(№-) ГИДРАВЛИКА
1
2
3
4
5
6
7
8
9
9
9
10
10
10
FIT
1:1
100%

Артикул

Название

Примечание

Количество

1

22F-62-12930

HOSE

2

22F-62-11840

HOSE

3

22F-62-11880

HOSE

4

22F-62-12770

PLATE

5

04435-51912

CLIP

6

07095-20213

CUSHION

7

04434-52511

CLIP

8

07095-20420

CUSHION

9

01010-81020

BOLT

10

01643-31032

WASHER

Выбрано товаров: 10