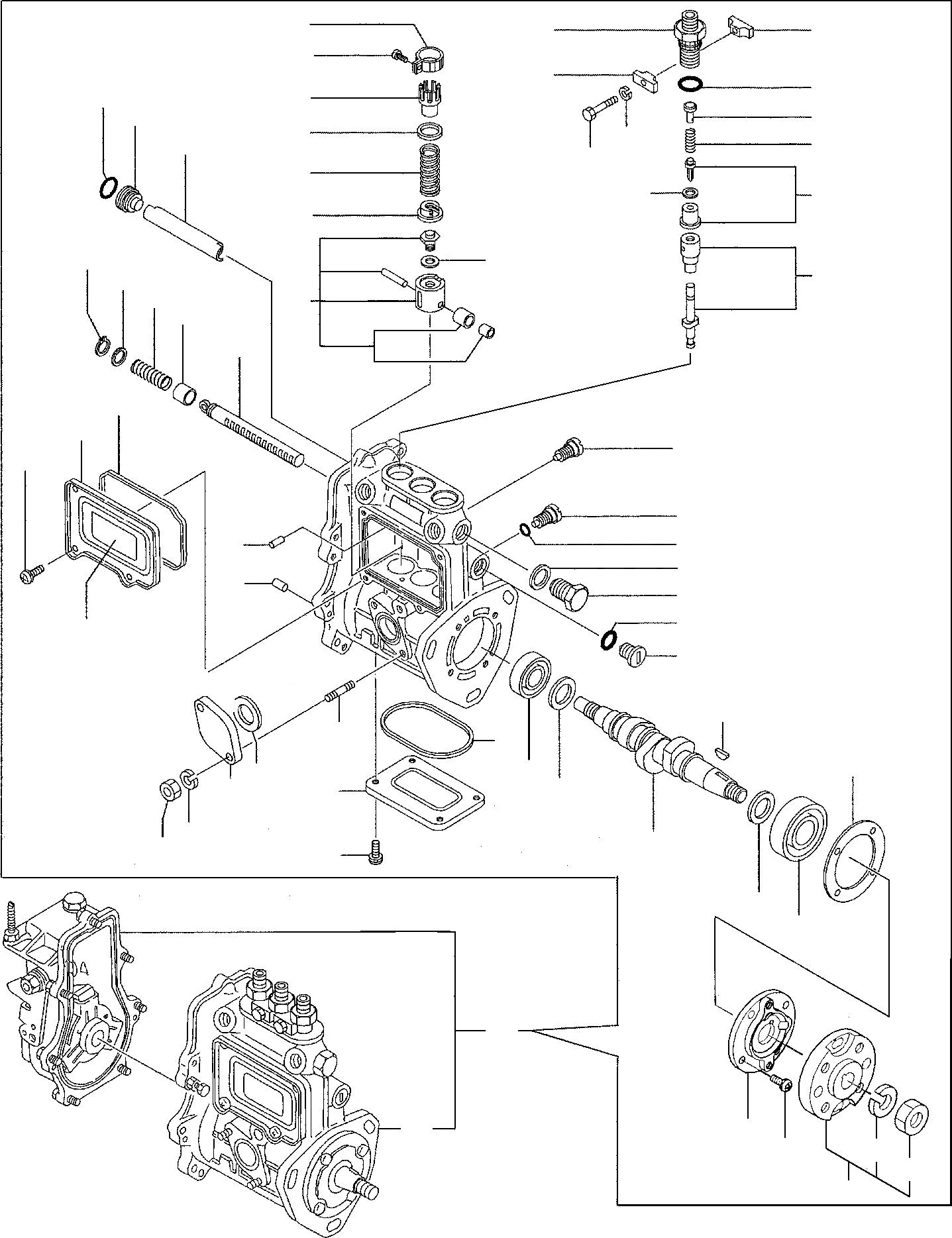
Запчасти Komatsu PC35R-8 DELUXE ТОПЛ. НАСОС ДВИГАТЕЛЬ

Схема запчастей Komatsu PC35R-8 DELUXE - ТОПЛ. НАСОС ДВИГАТЕЛЬ
2
87
51
35
31
50
36
33
86
49
38
34
15
82
37
30
89
17
32
27
16
48
55
11
47
54
18
46
45
77
76
78
87
25
26
14
4
84
39
53
79
52
10
5
75
40
8
96
74
97
80
83
6
7
81
85
1
9
88
92
93
90
FIT
1:1
100%

Артикул

Название

Примечание

Количество

\0

871070046

ENGINE, ASSY.

1

YM729211-51450

PUMP, ASSY.

2

REGULATOR, ASSY.

4

YM22190-160002

GASKET

5

YM129155-51020

STUD

6

YM129211-51040

CAMSHAFT

7

YM26716-060002

NUT

8

YM129155-51050

BEARING

9

YM129208-51060

SUPPORT

10

YM122710-51090

KEY

11

YM129506-51100

PLUNGER W/BARREL

14

YM129155-51140

PIN

15

YM174307-51170

RETAINER, SPRING

16

YM129155-51180

SEAT, NOZZLE SPRING

17

YM124950-51190

SPRING

18

YM129155-51200

TAPPET, ASSY

25

YM129155-51270

LOCKING, TAPPET

26

YM129155-51280

O-RING

27

YM129450-51300

VALVE DELIVERY

30

YM129155-51320

SPRING

31

YM129155-51340

GUARD, DELIVERY VALVE

32

YM124550-51350

GASKET

33

YM124550-51370

O-RING

34

YM129155-51370

STOPPER

35

YM129155-51380

LOCKING (A)

36

YM129155-51390

LOCKING (B)

37

YM129155-51400

DEFLECTOR

38

YM129155-51410

CHECK BOLT

39

YM129155-51420

PLUG

40

YM129155-51450

KIT, SHIM

45

YM129155-51500

RACK

46

YM129155-51521

BUSHING

47

YM129155-51530

SPACER

48

YM129155-51540

RING, SNAP

49

YM129155-51550

PINION

50

YM122117-51560

SCREW

51

YM174307-51560

PINION

52

YM129155-51570

PLUG

53

YM129155-51580

O-RING

54

YM129155-51591

SPRING

55

YM129155-51600

KIT, SHIM

74

YM129155-51701

COVER

75

YM129155-51710

GASKET

76

YM129155-51751

COVER

77

YM129155-51760

GASKET

78

YM129155-51790

LOCKING, RACK

79

YM129156-51910

PLATE, CAUTION

80

YM129155-51930

SPACER, T=3.25

81

YM129155-51940

SPACER, T=1.5

82

YM22217-050000

SPRING WASHER

83

YM22217-060000

SPRING WASHER

84

YM22351-050010

PEG

85

YM24101-063034

BEARING

86

YM24341-000160

O-RING

87

YM26022-050122

SCREW

88

YM26022-060162

SCREW

89

YM26116-050302

SCREW

90

YM129208-54500

FLANGE, ASSY.

92

YM22217-120000

WASHER

93

YM26716-120002

NUT

96

YM129155-52050

GASKET

97

YM129100-52200

COVER

Выбрано товаров: 62