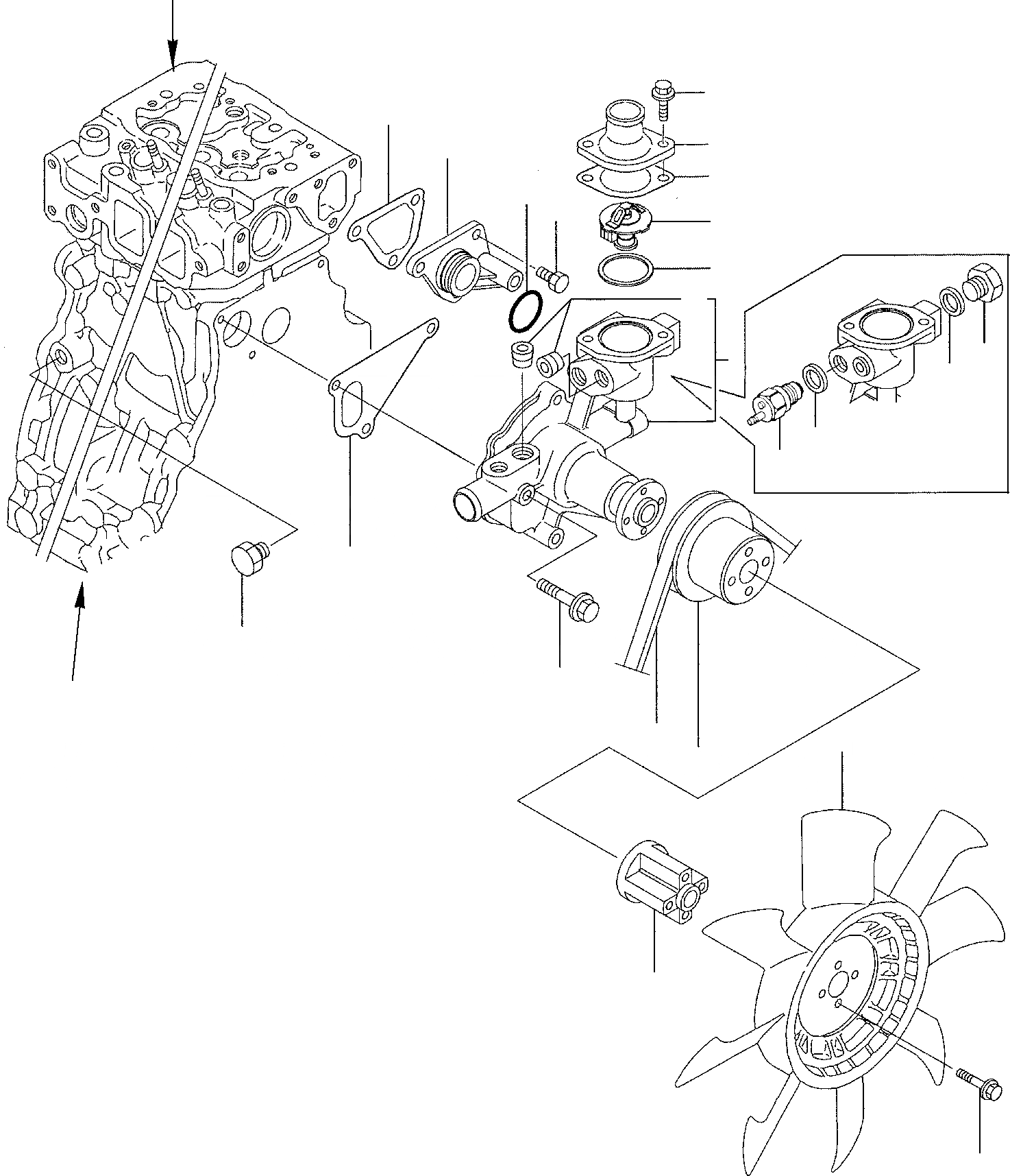
Запчасти Komatsu PC35R-8 DELUXE СИСТЕМА ОХЛАЖДЕНИЯ ДВИГАТЕЛЬ

Схема запчастей Komatsu PC35R-8 DELUXE - СИСТЕМА ОХЛАЖДЕНИЯ ДВИГАТЕЛЬ
A
B
25
24
20
28
21
29
30
22
23
13
26
2
27
27
1
32
31
14
15
17
16
18
19
FIT
1:1
100%

Артикул

Название

Примечание

Количество

\0

871070046

ENGINE, ASSY.

1

YM121250-44901

WATER TEMPERATURE TRANSMITTER (ALARM)

2

YM129001-42003

PUMP, ASSY.

13

YM23876-030000

PLUG

14

YM26106-080602

BOLT

15

YM129612-42290

V-BELT

16

YM129120-42350

PULLEY

17

YM129436-44740

FAN

18

YM119256-44760

SPACER

19

YM26106-060602

BOLT PLATED

20

YM129350-49530

COVER, THERMOSTAT

21

YM129795-49551

GASKET

22

YM129155-49800

THERMOSTAT

23

YM129150-49811

GASKET

24

YM124395-49840

GASKET

25

YM26106-080222

SCREW

26

YM121450-42450

PLUG

27

YM124465-44950

GASKET

28

YM129001-42040

JOINT

29

YM129486-42140

O-RING

30

YM26106-080162

BOLT

31

YM171056-49120

PLUG

32

YM129486-42021

GASKET

Выбрано товаров: 23