Запчасти Komatsu PC35R-8 ВОЗВРАТ. ЛИНИЯ ГИДРАВЛИКА

Схема запчастей Komatsu PC35R-8 - ВОЗВРАТ. ЛИНИЯ ГИДРАВЛИКА
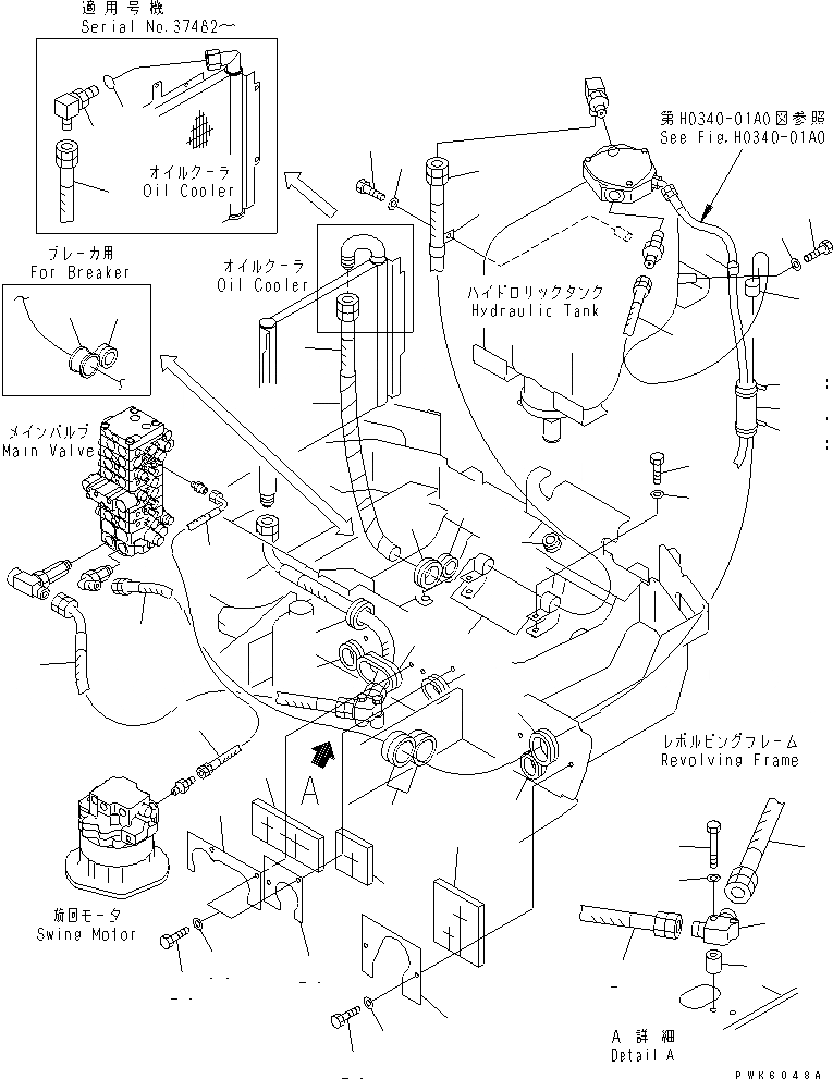
1
1
1
1A
1B
2
2
3
3
4
4
5
5
6
7
7
7
8
9
10
10
11
11
12
13
14
15
15A
15B
15B
15C
16
17
18
18
18
19
20
20
20
21
21
22
23
24
25
26
27
28
29
29
30
30
FIT
1:1
100%

Артикул

Название

Примечание

Количество

1

20T-62-82580

HOSE

1

07102-21020

HOSE

1A

07235-11034

ELBOW

1B

07002-13334

O-RING

2

20T-62-84240

HOSE

3

07102-20525

HOSE

4

20T-62-81390

HOSE

5

20T-62-84110

HOSE

6

04434-52511

CLIP

7

04434-53412

CLIP

7

04434-53412

CLIP

8

01010-81230

BOLT

9

01643-31232

WASHER

10

01010-81020

BOLT

10

01010-81020

BOLT

11

01643-31032

WASHER

11

01643-31032

WASHER

12

20T-62-81371

ELBOW

13

195-43-41530

COLLAR

14

01010-81290

BOLT

15

01643-31232

WASHER

15A

203-62-41150

COVER

15B

08034-00823

BAND

15C

203-62-58650

COVER

16

21Y-06-11280

GROMMET

17

201-46-38220

GROMMET

18

20T-62-81140

GROMMET

19

20T-62-81190

GROMMET

20

20T-62-81140

GROMMET

20

08037-05022

GROMMET,(FOR BREAKER)

20

561-61-65540

INSULATOR,(FOR BREAKER)

21

416-06-11310

GROMMET

22

21W-62-22180

GROMMET

23

20T-46-81810

PLATE

24

20T-46-81820

SHEET

25

20T-46-81830

PLATE

26

20T-46-81840

SHEET

27

20T-46-81850

PLATE

28

20T-46-81860

SHEET

29

01010-81020

BOLT

30

01643-31032

WASHER

Выбрано товаров: 41