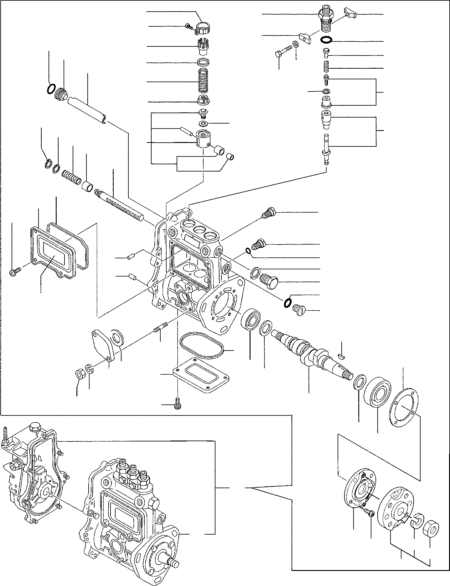
Запчасти Komatsu PC35R-8 ТОПЛ. НАСОС ДВИГАТЕЛЬ

Схема запчастей Komatsu PC35R-8 - ТОПЛ. НАСОС ДВИГАТЕЛЬ
87
51
35
31
50
36
33
86
49
38
34
15
82
37
30
89
17
32
27
16
48
55
11
47
54
18
46
45
77
76
78
87
25
26
14
4
84
39
53
79
52
10
5
75
40
8
96
74
97
80
83
6
7
81
85
1
2
9
88
92
93
90
FIT
1:1
100%

Артикул

Название

Примечание

Количество

\0

871070046

ENGINE, ASSY.

1

YM729211-51450

PUMP, ASSY.

2

REGULATOR, ASSY.

4

YM22190-160002

GASKET

5

YM129155-51020

STUD

6

YM129211-51040

CAMSHAFT

7

YM26716-060002

NUT

8

YM129155-51050

BEARING

9

YM129208-51060

SUPPORT

10

YM122710-51090

KEY

11

YM129506-51100

PLUNGER W/BARREL

14

YM129155-51140

PIN

15

YM174307-51170

RETAINER, SPRING

16

YM129155-51180

SEAT, NOZZLE SPRING

17

YM124950-51190

SPRING

18

YM129155-51200

TAPPET, ASSY

25

YM129155-51270

LOCKING, TAPPET

26

YM129155-51280

O-RING

27

YM129450-51300

VALVE DELIVERY

30

YM129155-51320

SPRING

31

YM129155-51340

GUARD, DELIVERY VALVE

32

YM124550-51350

GASKET

33

YM124550-51370

O-RING

34

YM129155-51370

STOPPER

35

YM129155-51380

LOCKING (A)

36

YM129155-51390

LOCKING (B)

37

YM129155-51400

DEFLECTOR

38

YM129155-51410

CHECK BOLT

39

YM129155-51420

PLUG

40

YM129155-51450

KIT, SHIM

45

YM129155-51500

RACK

46

YM129155-51521

BUSHING

47

YM129155-51530

SPACER

48

YM129155-51540

RING, SNAP

49

YM129155-51550

PINION

50

YM122117-51560

SCREW

51

YM174307-51560

PINION

52

YM129155-51570

PLUG

53

YM129155-51580

O-RING

54

YM129155-51591

SPRING

55

YM129155-51600

KIT, SHIM

74

YM129155-51701

COVER

75

YM129155-51710

GASKET

76

YM129155-51751

COVER

77

YM129155-51760

GASKET

78

YM129155-51790

LOCKING, RACK

79

YM129156-51910

PLATE, CAUTION

80

YM129155-51930

SPACER, T=3.25

81

YM129155-51940

SPACER, T=1.5

82

YM22217-050000

SPRING WASHER

83

YM22217-060000

SPRING WASHER

84

YM22351-050010

PEG

85

YM24101-063034

BEARING

86

YM24341-000160

O-RING

87

YM26022-050122

SCREW

88

YM26022-060162

SCREW

89

YM26116-050302

SCREW

90

YM129208-54500

FLANGE, ASSY.

92

YM22217-120000

WASHER

93

YM26716-120002

NUT

96

YM129155-52050

GASKET

97

YM129100-52200

COVER

Выбрано товаров: 62