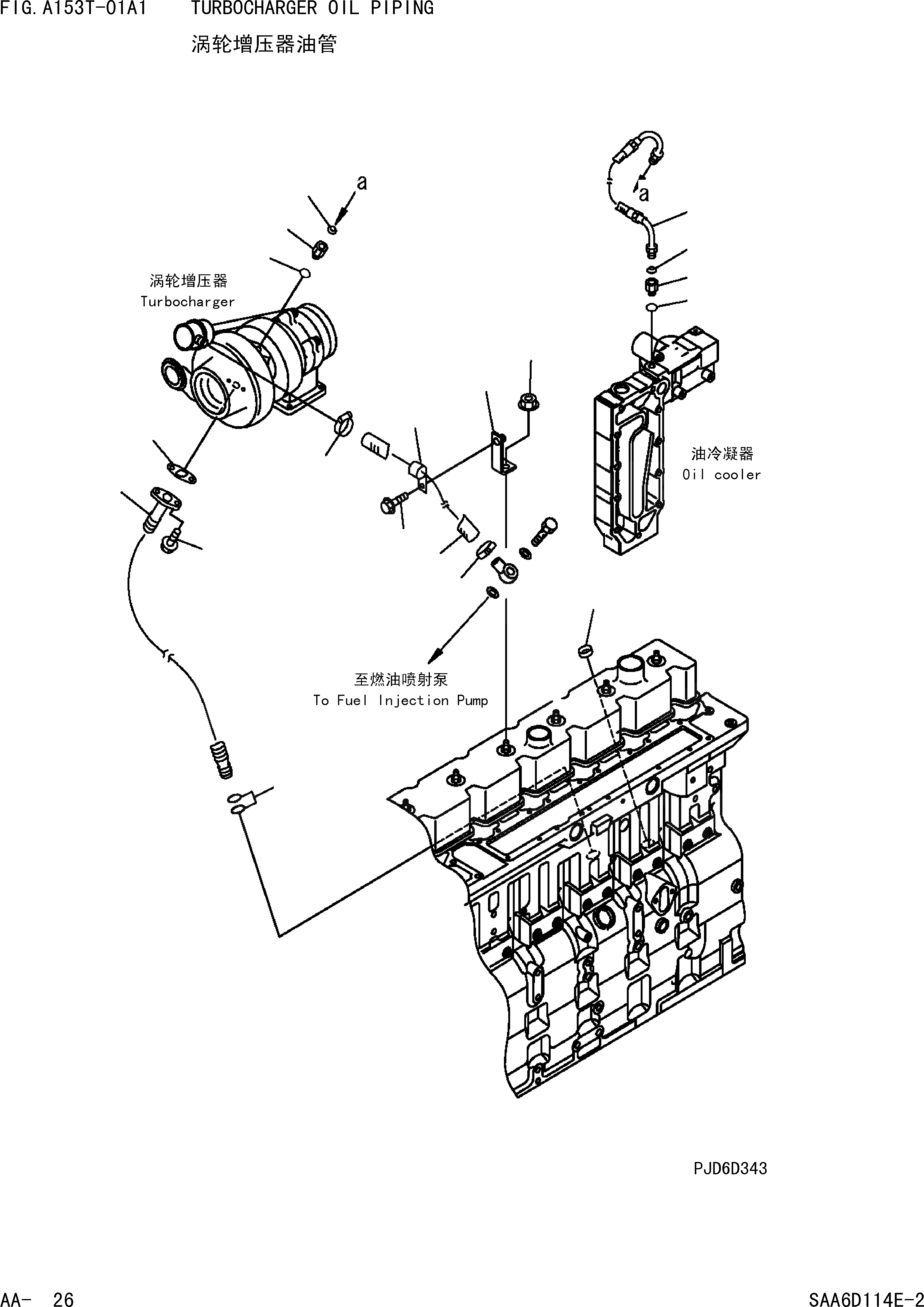
Запчасти Komatsu PC360-7 МАСЛОПРОВОДЯЩИЕ ТРУБКИ ТУРБОНАГНЕТАТЕЛЯ ДВИГАТЕЛЬ]

Схема запчастей Komatsu PC360-7 - МАСЛОПРОВОДЯЩИЕ ТРУБКИ ТУРБОНАГНЕТАТЕЛЯ ДВИГАТЕЛЬ]
10
9
8
15
11
13
2
5
3
4
7
10
9
8
6
1
2
14
12
FIT
1:1
100%

Артикул

Название

Примечание

Количество

1

6732-81-4211

HOSE

|$1

6732-81-4210

HOSE

2

07281-00167

CLAMP

3

425-03-11420

PLATE

4

6732-71-3210

NUT

5

04434-51610

CLIP

6

6735-71-3220

BOLT

7

6742-01-3440

HOSE

|$8

6736-51-8140

CONNECTOR ASS'Y

8

6736-51-8710

O-RING

9

6735-51-8270

CONNECTOR

10

6736-51-8730

WASHER,SEAL(K1)

|$12

1304835H91

CONNECTION ASS'Y

11

6742-01-3450

CONNECTOR

12

6732-51-8330

O-RING

13

6732-71-3220

BOLT

14

6735-21-5530

PLUG

15

6207-51-7690

GASKET

Выбрано товаров: 0