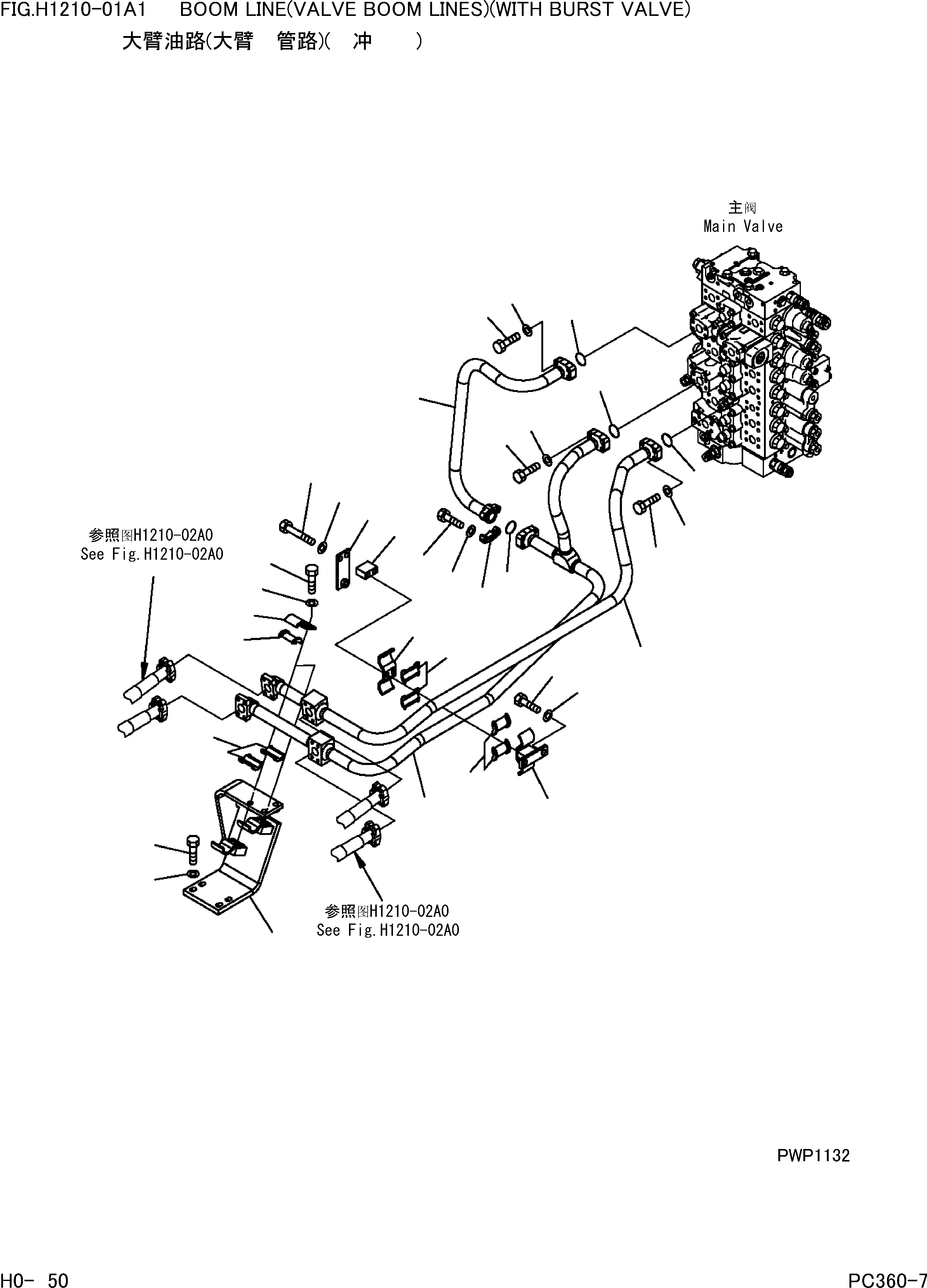
Запчасти Komatsu PC360-7 ГИДРОЛИНИЯ СТРЕЛЫ(ЛИНИИ КЛАПАНА СТРЕЛЫ)(С КЛАПАН ПЕРЕГРУЗКИ) ГИДРАВЛИКА]

Схема запчастей Komatsu PC360-7 - ГИДРОЛИНИЯ СТРЕЛЫ(ЛИНИИ КЛАПАНА СТРЕЛЫ)(С КЛАПАН ПЕРЕГРУЗКИ) ГИДРАВЛИКА]
4
5
3
6
2
4
5
28
29
30
31
11
13
12
3
7
24
25
10
27
26
9
8
19
18
21
20
1
23
22
15
17
16
14
FIT
1:1
100%

Артикул

Название

Примечание

Количество

1

207-62-71222

TUBE

2

207-62-71231

TUBE

3

07000-13035

O-RING

4

07372-21040

BOLT

5

01643-51032

WASHER

6

07000-13032

O-RING

7

07371-31049

FLANGE

8

07372-21035

BOLT

9

01643-51032

WASHER

10

207-62-71211

TUBE

11

07000-13035

O-RING

12

07372-21040

BOLT

13

01643-51032

WASHER

14

207-62-73540

BRACKET

15

205-62-73430

SEAT

16

01010-81235

BOLT

17

01643-31232

WASHER

18

207-62-52430

CLAMP

19

205-62-73430

SEAT

20

01010-81230

BOLT

21

01643-31232

WASHER

22

207-62-71330

BRACKET

23

205-62-73430

SEAT

24

01010-81280

BOLT

25

01643-31232

WASHER

26

207-62-54770

CLAMP

27

205-62-73430

SEAT

28

01010-81290

BOLT

29

01643-31232

WASHER

30

207-62-73550

BRACKET

31

20Y-62-45280

PLATE

Выбрано товаров: 31