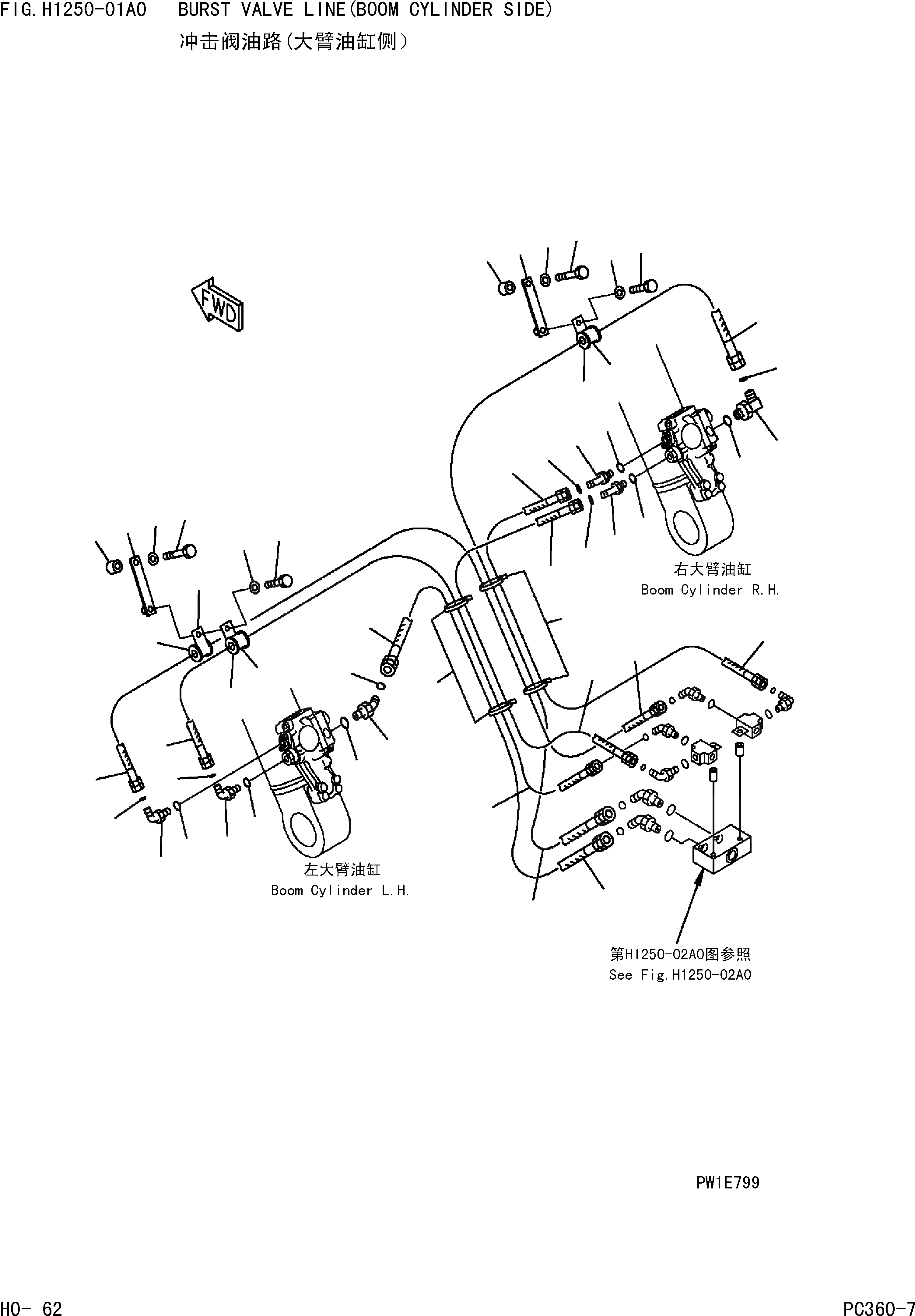
Запчасти Komatsu PC360-7 КЛАПАН ПЕРЕГРУЗКИ СТРЕЛЫ(ЦИЛИНДР СТРЕЛЫ) ГИДРАВЛИКА]

Схема запчастей Komatsu PC360-7 - КЛАПАН ПЕРЕГРУЗКИ СТРЕЛЫ(ЦИЛИНДР СТРЕЛЫ) ГИДРАВЛИКА]
28
27
25
26
29
30
32
31
34
33
36
35
42
41
39
40
38
37
24
23
43
21
22
32
4
24
16
28
20
43
20
15
13
14
2
1
16
19
17
18
10
9
6
5
8
7
12
11
4
3
FIT
1:1
100%

Артикул

Название

Примечание

Количество

1

421-09-31120

ELBOW

2

07002-12434

O-RING

3

02896-11015

O-RING

4

02762-00516

HOSE

5

207-977-5120

BRACKET

6

6131-22-3750

BOSS

7

01010-81245

BOLT

8

01643-31232

WASHER

9

04434-53212

CLIP

10

07095-20523

CUSHION

11

01010-81225

BOLT

12

01643-31232

WASHER

13

11Y-62-12510

ELBOW

14

07002-11423

O-RING

15

02896-11009

O-RING

16

02762-00312

HOSE

17

11Y-62-12510

ELBOW

18

07002-11423

O-RING

19

02896-11009

O-RING

20

02777-00311

HOSE

21

02783-10522

ELBOW

22

07002-12434

O-RING

23

02896-11015

O-RING

24

02762-00509

HOSE

25

02782-10311

ELBOW

26

07002-11423

O-RING

27

02896-11009

O-RING

28

207-62-73630

HOSE

29

02782-10312

ELBOW

30

07002-11423

O-RING

31

02896-11009

O-RING

32

02777-00317

HOSE

33

207-977-5120

BRACKET

34

6131-22-3750

BOSS

35

01010-81245

BOLT

36

01643-31232

WASHER

37

04434-51912

CLIP

38

07095-20213

CUSHION

39

04434-52512

CLIP

40

07095-20318

CUSHION

41

01010-81225

BOLT

42

01643-31232

WASHER

43

08034-20519

BAND

Выбрано товаров: 43