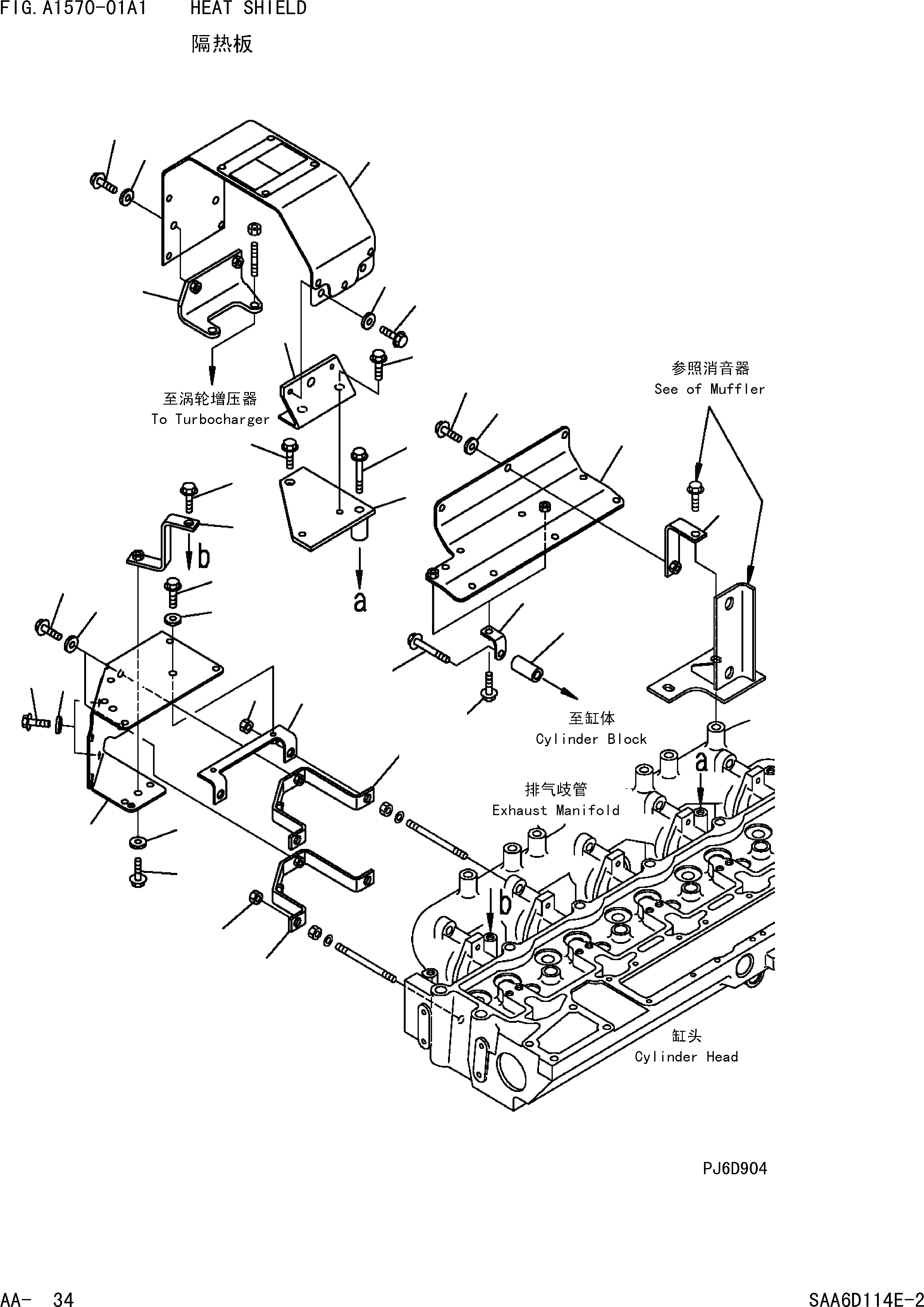
Запчасти Komatsu PC360-7 ТЕРМОЗАЩИТА ДВИГАТЕЛЬ]

Схема запчастей Komatsu PC360-7 - ТЕРМОЗАЩИТА ДВИГАТЕЛЬ]
10
5
4
7
8
8
6
8
7
3
1
3
2
1
22
20
19
21
11
9
13
12
24
25
18
23
16
17
14
15
17
16
7
7
8
FIT
1:1
100%

Артикул

Название

Примечание

Количество

1

6743-81-8450

BRACKET

2

6743-81-8460

BRACKET

3

01581-01008

NUT

4

6743-81-8470

BRACKET

5

01435-01016

BOLT

6

6743-81-8420

COVER

7

01435-00820

BOLT

8

6201-81-6560

SPACER

9

6743-81-8480

PLATE

10

01435-01016

BOLT

11

01435-01055

BOLT

12

6743-81-8430

BRACKET

13

01435-01025

BOLT

14

6743-81-8440

BRACKET

15

6743-81-8410

COVER

16

01435-00820

BOLT

17

6201-81-6560

SPACER

18

6741-11-5310

COVER

19

6050-71-5710

BRACKET

20

01435-00816

BOLT

21

6138-81-8660

SPACER

22

01435-00855

BOLT

23

6743-81-8490

BRACKET

24

01435-00820

BOLT

25

6201-81-6560

SPACER

Выбрано товаров: 25