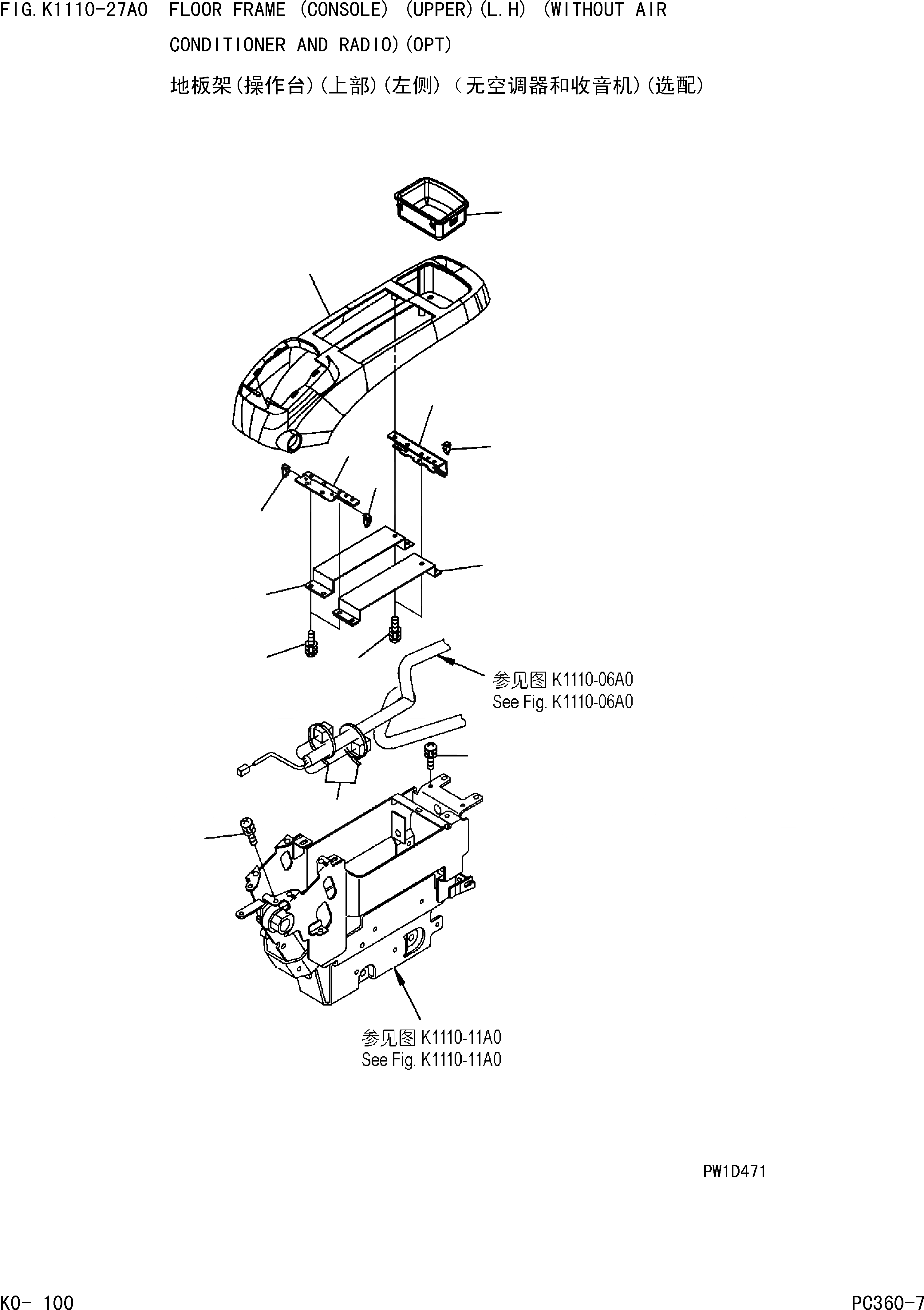
Запчасти Komatsu PC360-7 ОСНОВН. КОНСТРУКЦИЯ(КОНСОЛЬ)(ВЕРХН.)(L.H)( СHOUT CONDITIONER И РАДИО) (ОПЦИОНН.) КАБИНА ОПЕРАТОРА И СИСТЕМА УПРАВЛЕНИЯ]

Схема запчастей Komatsu PC360-7 - ОСНОВН. КОНСТРУКЦИЯ(КОНСОЛЬ)(ВЕРХН.)(L.H)( СHOUT CONDITIONER И РАДИО) (ОПЦИОНН.) КАБИНА ОПЕРАТОРА И СИСТЕМА УПРАВЛЕНИЯ]
10
3
5
7
4
7
7
2
6
6
1
9
8
9
FIT
1:1
100%

Артикул

Название

Примечание

Количество

1

20Y-43-31460

COVER

2

20Y-43-31470

COVER

3

22U-43-22210

COVER

4

22U-43-22220

PLATE

5

22U-43-22230

STAY

6

01023-60516

SCREW

7

20Y-06-23770

CLIP

8

08034-00414

BAND

9

01023-60620

SCREW

10

22U-43-22110

COVER

Выбрано товаров: 10