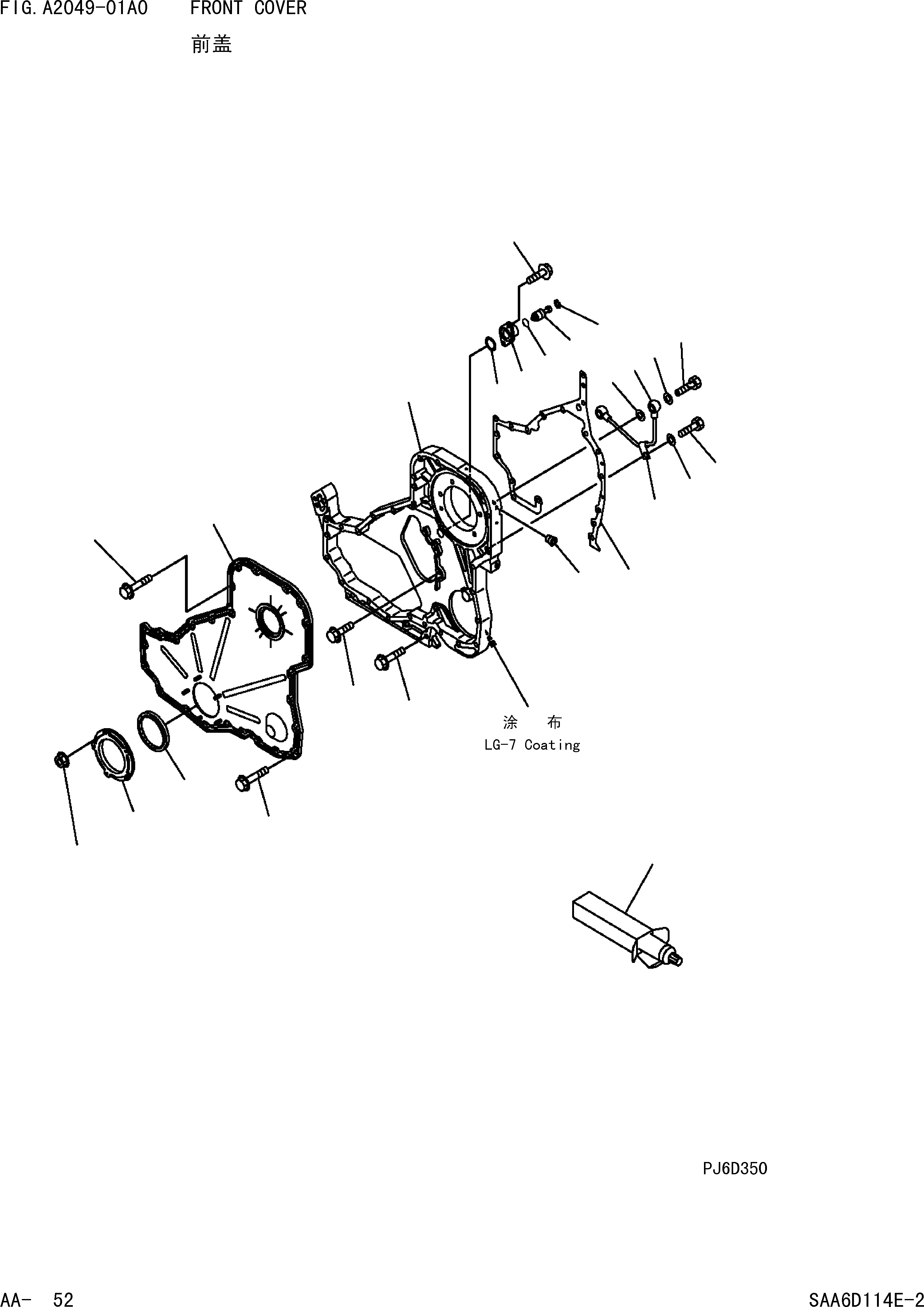
Запчасти Komatsu PC360-7 ПЕРЕДН. COVER ДВИГАТЕЛЬ]

Схема запчастей Komatsu PC360-7 - ПЕРЕДН. COVER ДВИГАТЕЛЬ]
24
16
15
14
12
13
5
3
5
4
7
8
6
11
2
1
9
10
21
23
22
18
20
19
17
FIT
1:1
100%

Артикул

Название

Примечание

Количество

1

6743-21-3110

HOUSING,GEAR

2

6742-01-2960

PLUG

3

6741-71-4110

TUBE

4

07206-30710

BOLT

5

07005-01012

GASKET(K2)

6

04434-50608

CLIP

7

6731-71-6270

SCREW

8

01640-21016

WASHER

9

6742-01-0540

BOLT

10

6741-21-3820

BOLT

11

6741-21-3810

GASKET(K2)

12

6732-21-3140

PIN

13

6732-21-3150

RING

14

6732-21-3870

O-RING

15

6732-21-3180

HOUSING

16

6732-21-3880

GASKET(K2)

17

6732-21-3160

BOLT

|$17

6742-01-0550

SEAL KIT

18

SEAL

19

6741-21-3540

NUT

20

6741-21-3530

CARRIER

21

6741-21-3310

COVER

22

6736-21-5310

BOLT

23

6742-01-0530

BOLT

24

09920-00150

LIQUID GASKET,LG-7,150G

Выбрано товаров: 25