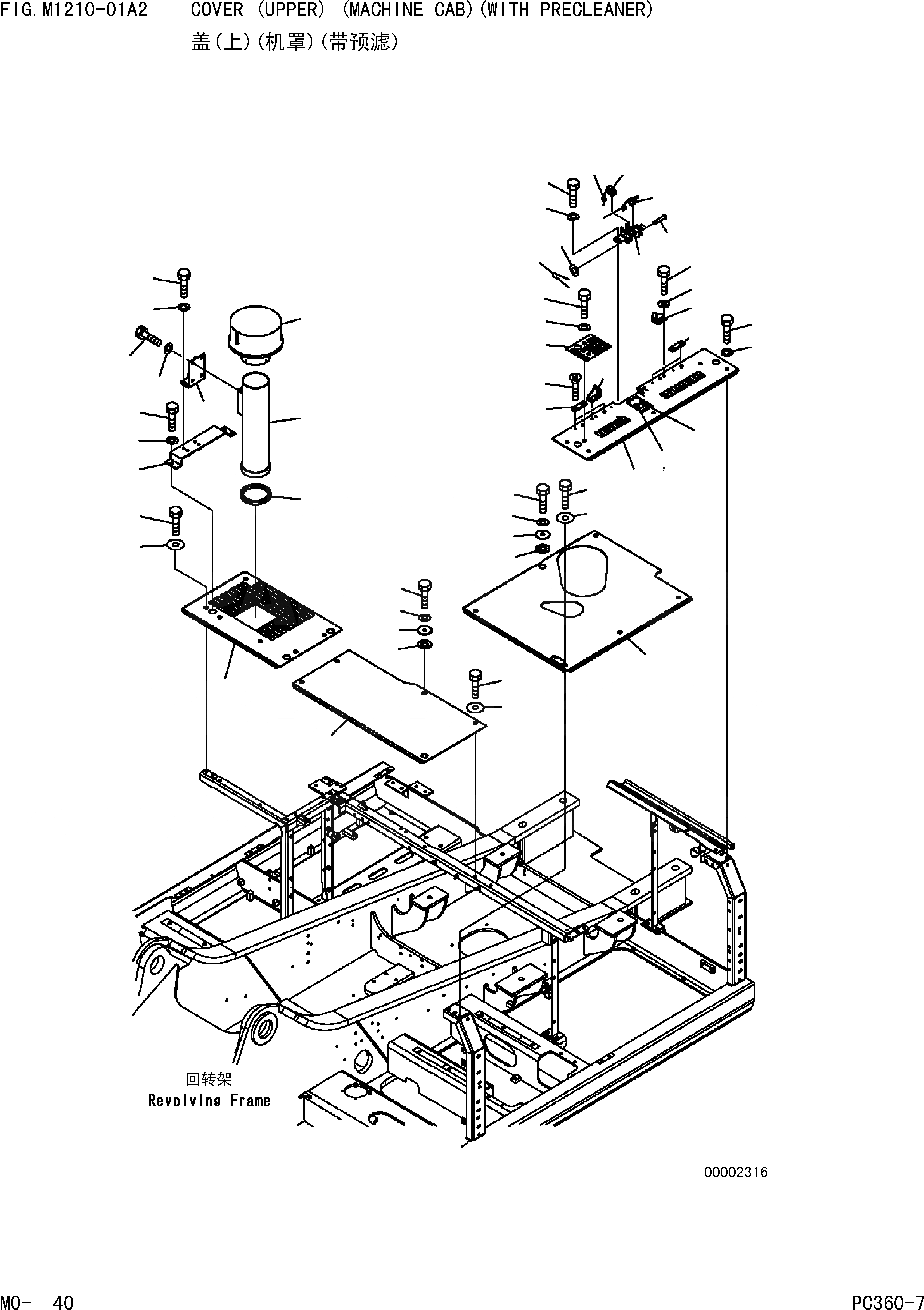
Запчасти Komatsu PC360-7 КРЫШКА(ВЕРХН.) (КАБИНА)(С ПРЕФИЛЬТРОМ) ЧАСТИ КОРПУСА]

Схема запчастей Komatsu PC360-7 - КРЫШКА(ВЕРХН.) (КАБИНА)(С ПРЕФИЛЬТРОМ) ЧАСТИ КОРПУСА]
47
48
42
40
41
46
20
21
18
17
24
25
23
22
10
8
36
37
39
34
35
15
16
13
14
11
12
19
21
9
10
24
25
5
7
6
4
47
48
44
45
43
2
3
1
26
29
30
32
31
33
38
27
28
FIT
1:1
100%

Артикул

Название

Примечание

Количество

1

207-54-71370

COVER

2

01010-81230

BOLT

3

175-54-34170

WASHER

4

207-54-71411

COVER

5

20Y-54-25850

LOCK

6

20Y-54-27540

LOCK ASS'Y

7

205-54-76280

ROTOR ASS'Y

8

207-54-61441

BRACKET,L.H

9

207-54-61450

BRACKET,R.H

10

205-54-68440

PLATE

11

154-54-22520

PIN

12

208-54-71920

BRACKET

|$12

207-54-72210

BRACKET

13

208-54-71910

LEVER

|$14

207-54-72220

LEVER

14

207-54-72230

LEVER

15

20X-54-21460

SPRING

16

21K-54-26351

SPRING

17

04050-13020

PIN

18

01640-21123

WASHER

19

01010-81025

BOLT

20

01010-81030

BOLT

21

01643-31032

WASHER

22

01224-40616

SCREW

23

207-54-71450

COVER

24

01010-81230

BOLT

25

01643-31232

WASHER

26

207-54-71430

COVER

27

01010-81230

BOLT

28

175-54-34170

WASHER

29

01010-81230

BOLT

30

01643-31232

WASHER

31

20Y-54-19920

PLATE

32

20Y-54-19930

COLLAR

33

207-54-71441

COVER

34

01010-81230

BOLT

35

175-54-34170

WASHER

36

01010-81230

BOLT

37

01643-31232

WASHER

38

20Y-54-19920

PLATE

39

20Y-54-19930

COLLAR

40

207-01-72310

DUCT

41

22U-54-11941

SEAL

42

421-U12-3100

PRECLEANER

43

207-01-72330

BRACKET

44

01010-81235

BOLT

45

01643-31232

WASHER

46

207-01-72340

BRACKET

47

01010-81225

BOLT

48

01643-31232

WASHER

Выбрано товаров: 50