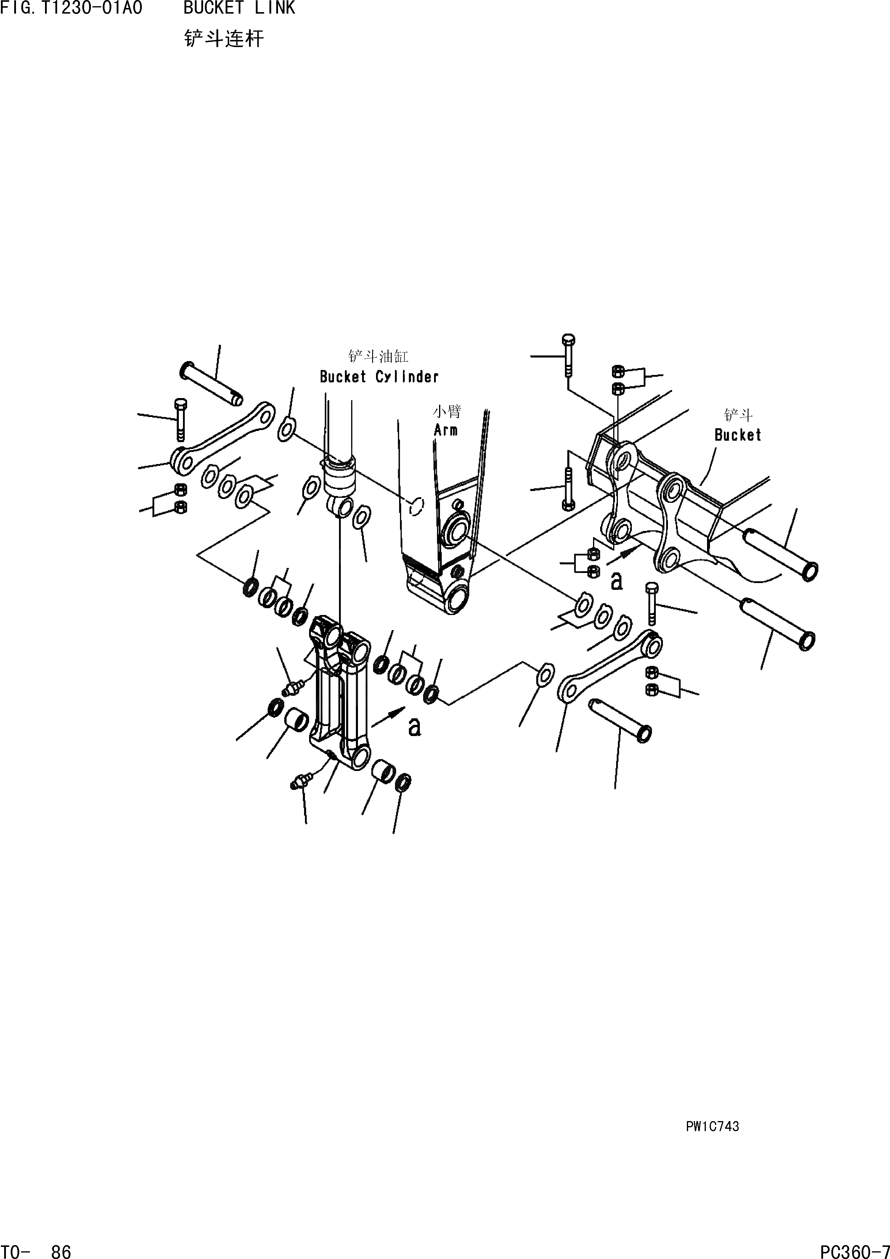
Запчасти Komatsu PC360-7 СОЕДИНЕНИЕ КОВША РАБОЧЕЕ ОБОРУДОВАНИЕ]

Схема запчастей Komatsu PC360-7 - СОЕДИНЕНИЕ КОВША РАБОЧЕЕ ОБОРУДОВАНИЕ]
7
7
9
10
9
10
9
10
11
12
11
6
8
5
2
1
4
2
5
4
5
3
5
11
5
3
5
11
12
11
11
8
9
6
10
FIT
1:1
100%

Артикул

Название

Примечание

Количество

|$0

207-70-00470

LINK ASS'Y

1

207-70-Z3110

LINK

2

207-70-33160

BUSHING

3

207-70-33160

BUSHING

4

07020-00000

FITTING

5

207-70-72120

SEAL

6

207-70-33120

LINK

7

207-70-73210

PIN

8

207-70-33140

PIN

9

208-70-73160

BOLT

|$10

207-70-D3340

BOLT

10

01580-12419

NUT

11

207-70-24190

SPACER,1MM

12

207-70-24210

SPACER,2MM

Выбрано товаров: 14