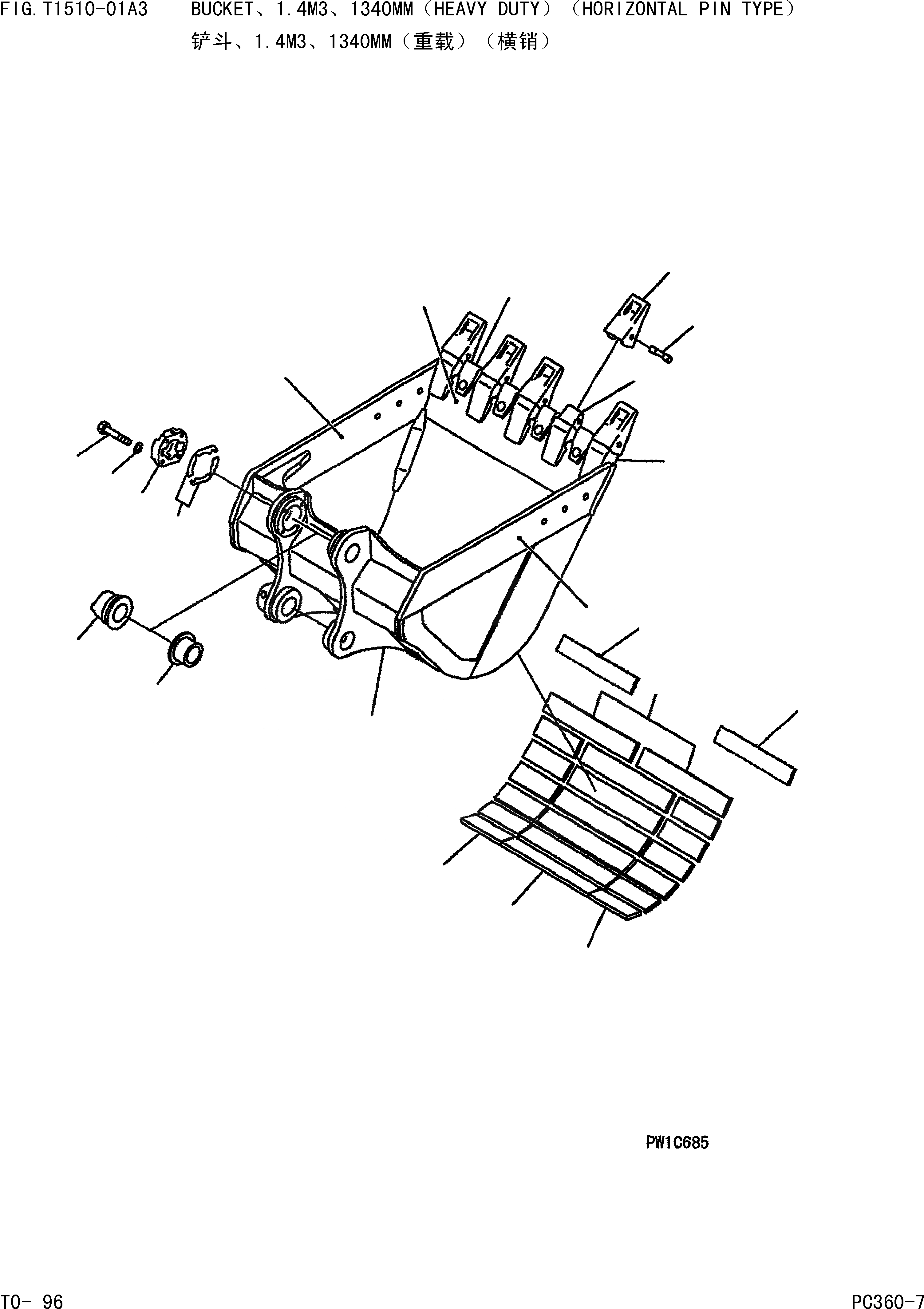
Запчасти Komatsu PC360-7 КОВШЈ¬.MЈ¬MM(УСИЛ.)(ГОРИЗОНТАЛЬН. ПАЛЕЦ) РАБОЧЕЕ ОБОРУДОВАНИЕ]

Схема запчастей Komatsu PC360-7 - КОВШЈ¬.MЈ¬MM(УСИЛ.)(ГОРИЗОНТАЛЬН. ПАЛЕЦ) РАБОЧЕЕ ОБОРУДОВАНИЕ]
3
5
9
10
11
2
8
4
13
14
12
16
17
15
1
6
7
6
7
7A
7A
FIT
1:1
100%

Артикул

Название

Примечание

Количество

1

207-934-Z400

BUCKET

2

207-934-7120

ADAPTER

3

207-934-7131

PLATE

4

207-934-7140

PLATE

5

207-934-7150

PLATE

6

207-934-6160

PLATE

7

207-934-6170

PLATE

7A

207-934-Z170

PLATE

8

207-934-7181

ADAPTER

9

208-934-5170

SHROUD

10

207-70-14280

TOOTH

11

09244-02516

PIN

12

207-70-34240

COVER

13

01010-62065

BOLT

14

01643-32060

WASHER

15

207-70-72470

BUSHING

16

207-70-00061

SHIM ASS'Y

|$17

207-70-00060

SHIM ASS'Y

18

207-70-34230

BUSHING

Выбрано товаров: 19