Качественные детали и логистика
Оригинальные и аналоговые запчасти с доставкой по России, Казахстану и Беларуси
©2022 PartSell ООО "Система" ИНН 2463123282 ОГРН 1212400004838
Центральный офис: г. Красноярск, Академика Киренского, д.87, пом.4
Телефон: 8 (800) 777-65-74 Email: zakaz@partsell.ru
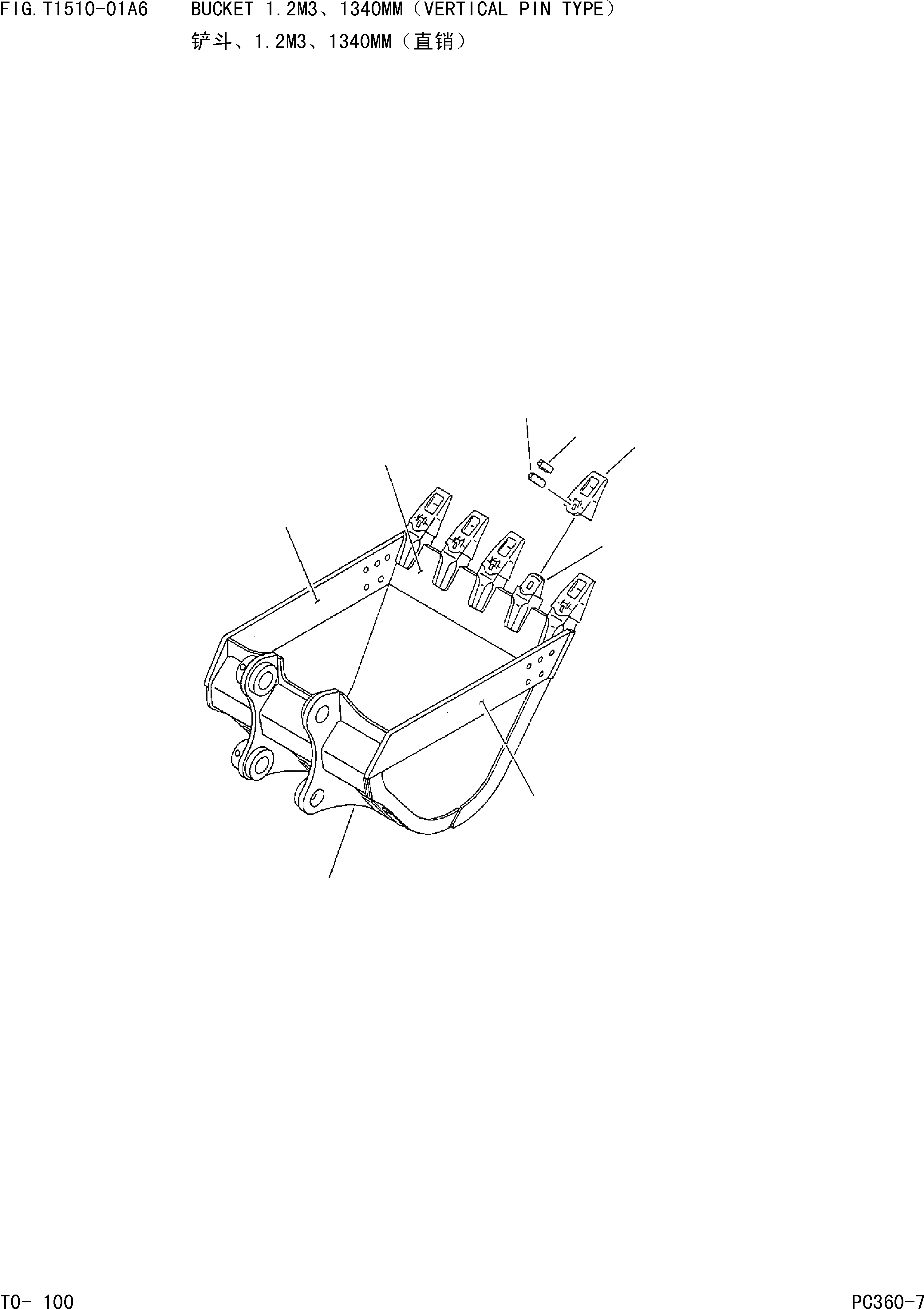
КОВШЈ¬.MЈ¬MM(ВЕРТИКАЛЬН. ПАЛЕЦ)
№
Артикул
Название
Примечание
Количество
1
207-920-5610
BUCKET
2
207-70-34151
ADAPTER
3
207-70-54121
PLATE,L.H
4
207-70-54131
PLATE,R.H
5
207-70-54140
PLATE
6
207-70-34212
TOOTH
7
207-70-34221
PIN
8
205-70-74291
LOCK
Выбрано товаров: 0