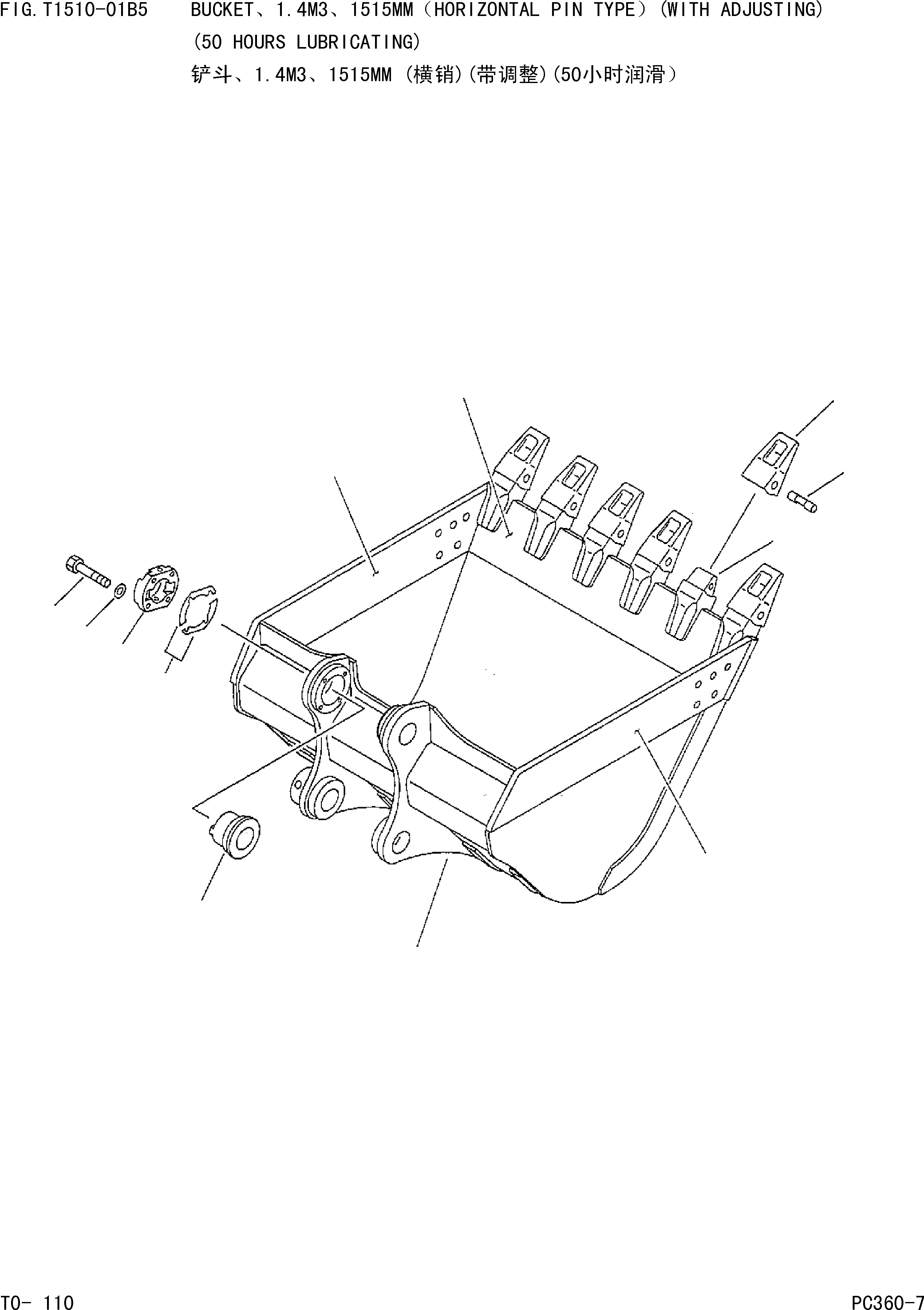
Запчасти Komatsu PC360-7 КОВШЈ¬.MЈ¬MM(ГОРИЗОНТАЛЬН. ПАЛЕЦ)(С РЕГУЛИРОВКОЙ)( ЧАС. СИСТЕМА СМАЗКИ) РАБОЧЕЕ ОБОРУДОВАНИЕ]

Схема запчастей Komatsu PC360-7 - КОВШЈ¬.MЈ¬MM(ГОРИЗОНТАЛЬН. ПАЛЕЦ)(С РЕГУЛИРОВКОЙ)( ЧАС. СИСТЕМА СМАЗКИ) РАБОЧЕЕ ОБОРУДОВАНИЕ]
6
7
2
5
4
3
1
12
9
10
8
11
FIT
1:1
100%

Артикул

Название

Примечание

Количество

1

207-920-5310

BUCKET

2

207-939-3120

ADAPTER

3

207-70-54121

PLATE,L.H

4

207-70-54131

PLATE,R.H

5

207-920-5120

PLATE

6

207-70-14151

TOOTH

7

09244-02516

PIN

8

207-70-34240

COVER

9

01010-62065

BOLT

10

01643-32060

WASHER

11

207-70-00061

SHIM ASS'Y

|$11

207-70-00060

SHIM ASS'Y

12

207-70-34230

BUSHING

Выбрано товаров: 13